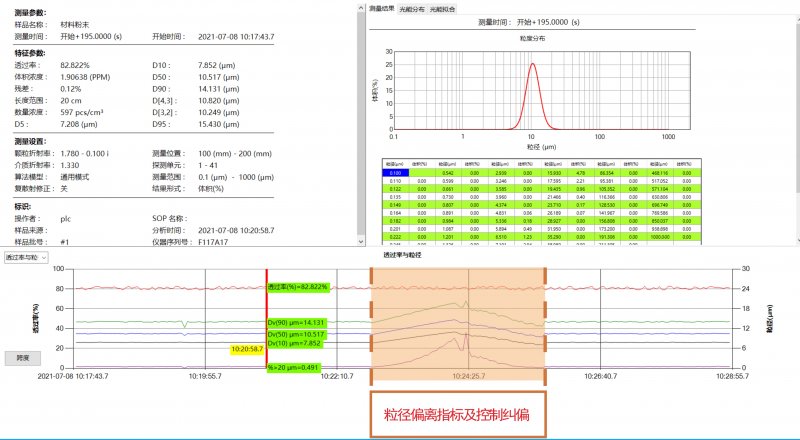
PATlink1000系列是真理光学基于粒度表征技术及自动化过程控制技术开发的新一代全实时在线粒度监测与控制系统,适合干法和湿法的生产工艺过程,既可用于在线粒度测量,也可以用于线上和现场的粒度分析。 PATlink 系列在线粒度仪具有坚固的架构和先进的技术支撑,以满足苛刻及复杂的过程工艺环境对连续粒度测量和控制的要求,被广泛应用于电池材料、制药、食品、涂料、水泥、染料、金属粉末、矿物和调色剂等行业的工艺过程环境。 PATlink1000在线粒度仪采用光缆连接控制室的计算机和粒度检测系统及控制单元,具有极强的抗干扰能力,并实现远距离的数据传输和控制。嵌入式仿真控制程序模块和界面,使所有阀门和气流状态一目了然。 **每秒5次的完整的粒度分布数据可通过满足Modbus RTU/TCP等标准工业通信控制协议的接口实时输送至用户的PLC系统,任何时刻的粒度指标的偏离都可触发对生产设备的自动调整和控制,确保产品颗粒粒度持续满足用户设定的指标要求。
技术特点:
◆ 粒度测控范围:0.1μm – 1000μm,无需变换透镜
◆ 采用完全米氏理论,仪器无需校准
◆ 测量速度:*快每秒5次完整粒度分布,每分钟能测量多达数百万个颗粒
◆ 使用带恒温系统的**功率20mW的固体激光光源,即开即用,适合各种工况条件
◆ 采用光纤偏振保持及空间滤波**技术,确保光路系统及激光输出无需任何机械调整
◆ 双气帘鞘流保护技术,**程度减少测量窗口的污染和清洁维护
◆ 快夹固定锁紧单元,方便安装和保养
◆ 防水防尘性能达到IP65工业防护等级
◆ 满足EMC工业级电磁兼容性要求
◆ 支持Modbus RTU/TCP等工业控制通信协议, 连接客户PLC系统,实现全自动实时粒径数据传输和控制
◆ CE认证
受益于PATlink1000在线粒度仪的使用
◆ 闭环的过程优化及持续监测和控制
◆ 确保生产设备运行更接近目标值
◆ 减少不同批次产品间的差异
◆ 批量生产时开机后快速达到合格标准,
◆ 减少原料浪费和返工

