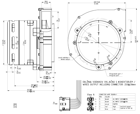
型号:793.3.275
技术参数:
**真空度:9.6/-10.4KPa
**压力:10.5/10.7KPa
**流速:5412 /5526 l/min
外形尺寸(长/宽/高):187.7×203.2×151.1mm
电压:120/230V
**工作功率:1000/900W
重量:3kg
可能应用:
(1)纸张处理
(2)排烟
(3)包装设备
(4)锅炉
(5)加热器
曲线图:

尺寸图:


站内搜索
|
详细信息 型号:793.3.275 技术参数: **压力:10.5/10.7KPa 重量:3kg
可能应用: (1)纸张处理 (2)排烟 (3)包装设备 (4)锅炉 (5)加热器 曲线图:
尺寸图:
|