一、产品概述
GC系列石墨烯粉体是以天然石墨为原材料,通过先进的物理剥离工艺制作而成,可显著提高目标产品的导电性、导热性、柔韧性、抗拉性等性能,现已应用于金属复材、通讯散热、新能源、功能涂料和改性塑料等领域。

石墨烯粉体GC001
二、应用领域

三、产品参数

石墨烯粉体GC系列-技术参数
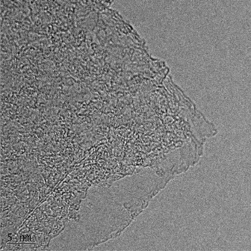
四、产品表征



石墨烯粉体GC系列-高分辨TEM图
五、产品特点及优势
(1) 层数少;
(2) 结构完整、缺陷少;
(3) 导电、导热、力学等性能优良;
(4) 可根据客户需求,定制产品粒度分布。
六、包装方式
可根据客户需求定制。
七、存放条件
室温干燥条件下密封保存。
八、注意事项
石墨烯粉体质量轻、颗粒细、易扬尘、易通过呼吸道进入到人体,造成对肺部的损伤。建议使用时佩戴防尘口罩。

