集流体作为锂离子电池内部导通电子和承载活性物质的载体,对电芯的最终性能有着重要作用。铝箔是最常用的正极集流体,为了提升电极的倍率、循环和使用寿命,在铝箔表面涂布一些导电涂层,可有效改善集流体与活性颗粒的界面接触电阻,且提高活性物质与集流体的粘结强度,减小电极循环过程中的活性颗粒剥落问题。涂炭铝箔的涂层一般通常包括导电炭黑、石墨烯、碳纳米管等,涂炭层的配方、涂层厚度、涂布均匀度等也会影响底涂效果¹。
本文采用极片电阻测试方法,比对不同配方和不同涂布厚度的涂炭铝箔的电阻差异,分析其底涂极片的均匀性。

图1.涂炭集流体对电芯性能的影响示意图¹
1、实验设备和测试方法
1.1 实验设备:极片电阻仪,型号BER1300(IEST元能科技),电极直径14mm,可施加压强5~60MPa。设备如图2(a)和(b)所示。
图2. (a)BER1300外观图;(b)BER1300结构图
1.2 待测样品:三种配方的底涂材料,两种不同厚度的涂炭铝箔,空铝箔、涂炭铝箔与涂敷活性材料后的极片。
1.3 测试方法:将待测极片样品剪切成约5cm×10cm的长方形尺寸,放置于样品台上,在MRMS软件上设置测试压强、保压时间等参数,开始测试,软件自动读取极片厚度、电阻、电阻率、电导率等数据。
2、数据分析
对不同配方的涂炭铝箔进行测试,空铝箔的厚度均为10μm,两种涂炭层的厚度分别为7μm和4μm,测试的极片电阻如图3(a)和(b)所示,可发现不同配方的涂炭铝箔的电阻相差很大,可从几十mΩ~几十Ω,且从单张极片的不同位置的电阻均匀上看,不同工艺的涂炭铝箔的均匀性也有很大差异,如4μm-R(Ω)-1和7μm-R(Ω)-1这两个涂炭铝箔的电阻箱线图较宽,说明不同位置的电阻均匀性较差,这与涂层太薄,有可能出现漏涂或者炭材料分布不均有关¹。
分析图3(c)中的数据可看出,空铝箔的导电性最好,当增加了涂炭层和活性材料后,采用两探针原理测试出的极片电阻率均逐渐增大,这说明涂层的加入,会引入颗粒之间的接触电阻,使得电子的导电性减弱。虽然一般认为在铝箔表面增加涂炭层后会提升电极的导电性,这主要是由于涂炭层增加了铝箔的表面粗糙度,使活性材料颗粒与集流体的接触更好,但若涂层的厚度较厚或者涂布均匀性太差,也会影响活性材料涂层电极的导电均匀性。



图3. (a)涂炭层厚度为4μm的箔材电阻
(b)涂炭层厚度为4μm的箔材电阻
(c)三种不同状态的电极电阻率

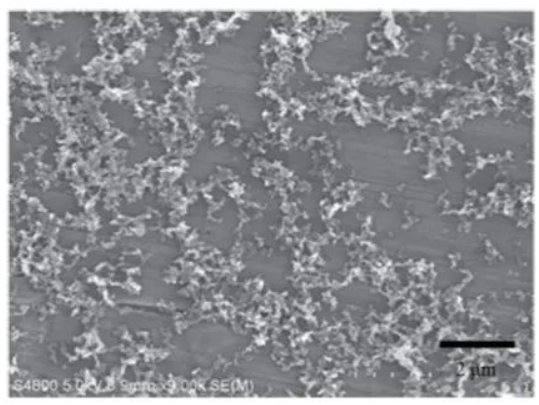
图4.涂炭黑铝箔的表面形貌示意图¹
总之,活性材料和金属集流体之间增加有效的中间层,其作用除了改善界面接触电阻,还具有以下几点潜在的协同效益:
(1) 化学和电化学稳定的导电层可以作为一种有效的扩散屏障,阻止由于电解质分解和/或锂离子嵌入反应过程中副反应产生的氧的扩散,有效地防止金属集流体表面上形成氧化层,从而防止降解;
(2) 合理配方的导电层具有较好的导电性,可以形成大面积的接触,集流体和活性涂层界面电阻低,从而有利于快速的电荷转移过程;
(3) 导电层的柔韧性和机械缓冲性可以增强物理界面的附着力,从而最大限度地减少长期循环反应过程中界面处产生的应力引起的接触面积逐渐丧失而产生的相关问题。通过设计和开发独特的导电涂层,实验证明了导电界面层可以显著提高电化学性能,例如比可逆容量、容量保持率、倍率性能等。
3、总结
涂炭铝箔是目前逐渐被各类电池厂家选择使用的一种正极集流体,对涂炭铝箔不同配方、工艺的评估也对集流体的开发有着重要作用。通过测试涂炭铝箔的电阻参数,可以帮助评估配方和工艺的差异,同时能够帮助锂电研发人员监控底涂工艺的稳定性。
4、参考文献
1.Busson, C, Blin, M.A., Guichard, P., Soudan, P., Crosnier, O., Guyomard, D., & Lestriez, B. (2018). A primed current collector for high performance carbon-coated LiFePO4 electrodes with no carbon additive. Journal of Power Sources, 406, 7-17.
2.陈鹏, 任宁, 姬学敏, 等. 涂炭铝箔在石墨/磷酸铁锂电池中的应用研究[J]. 新能源进展, 2017, 5(2): 157-162.
3.李敏,等.涂碳铝箔对磷酸铁锂电池性能的影响[J]. 储能科学与技术,2020,9(6),1714-1719.
