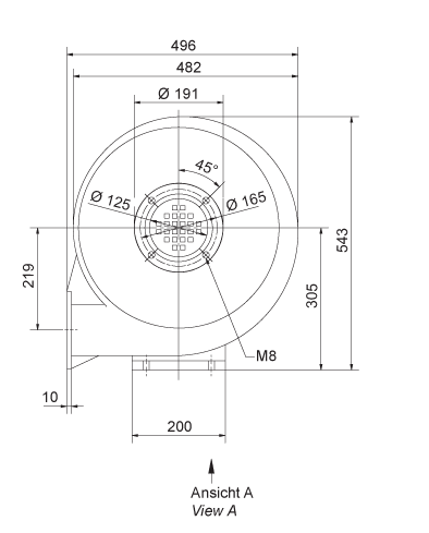
特性曲线:

性能数据
| RD 5 ATEX | ||
|---|---|---|
| 效率等级 | - | |
| 容积流量 | m³/min | 18 |
| 总压差 | Pa | 2100 |
| 电压 | V | 230/400 |
| 频率 | Hz | 50 |
| 电流消耗 | A | 2,48/1,43 |
| 功率 | kW | 0,55 |
| 电机转速 | min-1 | 2770 |
| 风机转速 | min-1 | 2770 |
| 重量 | kg | 4,9 |
询价
防爆径流中等压力风机 RD 5 ATEX 咨询
附件适用于 RD 5 ATEX
备用过滤垫
吸气管接头
焊接法兰
压力管接头
节流阀
管道消声器
细过滤器,吸气端
补偿器
AirKnife
Aircontrol


