德尔粉体设备:技术源自德国 创新始于德尔
材质:碳钢/陶瓷防护/高纯橡胶防护
进料尺寸:6mm以细
机内温度:40-50摄氏度;可辅助降温
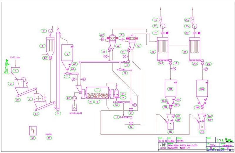
球磨机后可接多台分级机并联分级,也可接多台串联分级,同时生产多个粒度号的产品。球磨机与分级机组成一个闭路循环系统。
● 球磨机的选配根据矿物的硬度、可磨性、加工粒度和产量采用非标设计,衬板形状和球(段)级配根据多年工程实践经验量身订制,大程度的提高球磨机的研磨效率,降低产品能耗。
● 分级机的选配可根据产品的不同细度选择不同的机型,FW系列分级机可适应于D97:2~20微米产品的分级,FL系列分级机可适应于D97: 8~45微米产品的分级,每台分级机都具有很宽的产品调节范围,市场适应范围广。
● 当一条生产线同时生产多个品种时,我们可对多台分级机串联使用,通过粗细分级机的优化组合,确保产品的能耗低,粒度分布调整方向, 球磨机的过磨现象低。
● 我们可根据客户的投资规模,设计采用不同的厂房结构及设备布置方案,提供性价比高的配置系统。
● 环保方面我们采用特殊设计,通过设备的减振和部分软连接,使噪音达到小化,通过使用高质量的过滤材料,保证粉尘排放量低。
● 电控系统采用程序控制,控制整个生产流程,从进料料仓、研磨分级,直到产品包装。
● 我们可为客户提供附加服务,如选矿、改性、造粒、老生产线的改造升级等,通过向产品两端的延展,保证用户利益的大化。
软质材料:方解石、大理石、石灰石、重晶石、石膏、矿渣等。
工艺流程图


