一、产品介绍:
KQP-25灰仓破架桥空气炮是协昌公司在研制灰仓除积尘破架桥设备,它具有破架桥能力强,360度全方位清除灰尘架桥及箱壁积灰。是湿灰尘、油性等灰尘的克星。本产品广泛地应用在冶炼、化工、食品、水泥、煤炭等行业。


二、产品特点:
质量可靠,使用寿命长,维护简单方便。
结构简单、除灰能力强、重量轻,拆装方便可远距离控制。
三、产品参数
| 工作压力 | 0.3~0.6Mpa |
| 气源介质 | 经过油水分离和过滤的洁净空气 |
| 防护等级 | IP65 |
| 电压 | DC24V(AC220V/50Hz) |
| 耗气量 | 2~14(L/次) |
| 电脉冲时间 | 150~250ms |
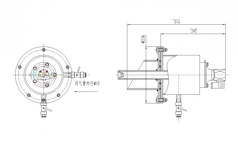
安装参考尺寸
安装方式


