产品描述:
HIC 系列重型反击锤式破碎机式采用**技术开发的一种大破碎比,主要用于中、软岩物料破碎的高效破碎机。利用数个重型锤头同时高速打击大块物料,物料破碎后沿切线撞到反击腔,反弹后被卷入破碎腔连续破碎至下料口排出。该机型可用于建筑,工业,建材,化工以及农业,环保,节能等领域,对抗压强度 100~170Mpa中等硬度物料的破碎如,石灰石,白云石等。
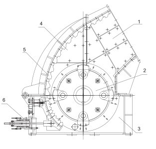
主要部件名称:
1.衬板部件 2.转子部件 3.机架部件 4.破碎板部件 5.反击板部件 6.调整装置

结构与特点:
◎大破碎比 ◎长破碎腔
◎无蓖板 ◎可开启机架
◎受多重保护的转子


