产品描述:
板式喂料机是一种用散装物料输送设备,把间歇式给料转变为连续性给料。本公司在引进国外先进技术上全新开发 BW 型、BZ 型板喂机,适应恶劣的工作环境对于物料的种类、湿度、粘度等因素都有非常大的适用性。该系列喂料机通常用于大型料斗下面,将大体积物料短距离均匀,连续的输送给各种破碎设备,广泛应用与矿山、冶炼、建材、公路、铁路、水利和化学工业等各领域。
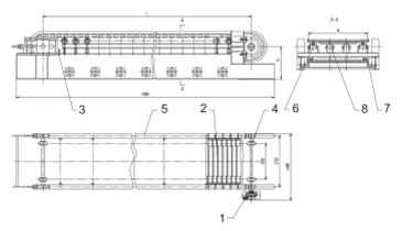
主要部件名称:
1.传动装置 2.运行装置 3.尾部装置 4.头部装置 5.机架 6.链支重轮 7.托链轮 8.中间支重轮
产品特点:
BW 型
◎尾部有枕木吸振,中部有吸振托辊支撑,提高运行部件的试用寿命
◎可更换齿轮,易维护
◎牵引力大、漏砂少、运行平稳
BZ 型
◎采用标准干式履带链条,无需润滑,安装维护方便
◎键联接部位均采用帐套和锁紧盘链接,不损伤轴经,方便拆装
◎槽板采用冲压压焊接结构,承载能力大
◎驱动装置采用悬挂单点浮动支撑方式,减少板喂机的径向安装尺寸


