目前气流粉碎机行业,特别是API的控制,大部分控制到d90小于多少微米就可以了,但是在吸入制剂确有严格的粒度分布要求,比如:d90<3.5, d100<7, d10<1.0等等,各种物料性质不同,粒度分布会有差别,
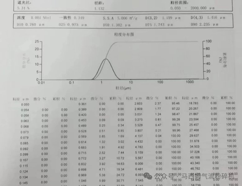
我们马西姆气流粉碎机,可以根据客户需要控制不同的粒度分布,比如可以控制到d100<4.1微米,d90<2.3 d50小于1.3,d10<0.7

还有的物料能控制到下面的细度

还有的物料太脆,比如依匹哌唑,物料很好粉碎,稍微粉碎就能到5微米,但是客户要求到30-35微米,我们可以把粉碎机设计成能达到客户要求的细度,粉碎细粉比较难,粉碎粗粉更难,所以每个行业都需要深耕,脚踏实地的研究,才能给出合适的良好的方案和配套的机器设置功能。
总归一句话,马西姆的成长是依靠技术和丰富的经验以及灵活的配置技术来达到和满足客户的要求!
没有最好,只有更好,品质的追求永无止境,您的困难就是我们挑战的动力,只要你相信我们,目前的粉碎难题,我们都可以携手解决,为您节省时间和投资,更快实现你们的研发和生产目的。
