铬是我国重要的战略性矿产资源,具有耐高温、耐磨、耐腐蚀等优点,被广泛应用于冶金、耐火材料和化学工业。虽然世界铬铁矿资源总体上较为丰富,资源总量超120亿吨,但分布极不均衡。
资源分布
中国铬铁矿资源十分紧缺,探明的铬铁矿储量仅占世界总储量的0.825%,主要集中在西藏、新疆、甘肃、内蒙古4个省(自治区),该四省(自治区)的保有储量占全国总保有储量的80%以上。

国外铬铁矿矿床主要以岩浆早期(分凝)矿床为主,易形成延伸稳定、规模巨大的矿体,而中国则几乎全部为岩浆晚期矿床,形成的矿体形态复杂、分散、规模小。
中国铬铁矿资源贫矿多、富矿少,富矿与贫矿的比例约为3:7,除极少数矿床 Cr2O3含量达40%,铬铁比大于2.5之外,多数矿床Cr2O3含量及铬铁比均很低,矿石产量和质量远远满足不了国内需求。西藏罗布莎铬铁矿是具有工业价值的大型铬铁矿床,随着高品位铬铁矿的开采殆尽,高效开发利用低品位铬铁矿资源显得尤为重要。
理化性质
主要用途
在冶金工业上,铬铁矿主要用来生产铬铁合金和金属铬。铬铁合金作为钢的添加料生产多种高强度、抗腐蚀、耐磨、耐高温、耐氧化的特种钢,如不锈钢、耐酸钢、耐热钢、滚珠轴承钢、弹簧钢、工具钢等。金属铬主要用于与钴、镍、钨等元素冶炼特种合金。
这些特种钢和特种合金是航空、宇航、汽车、造船,以及国防工业生产枪炮、导弹、火箭、舰艇等不可缺少的材料。
在耐火材料上,铬铁矿用来制造铬砖、铬镁砖和其他特殊耐火材料。

矿物分类
高铬铬铁矿(冶金用):含Cr2O3 48%以上,Cr2O3 /FeO比值大。 高铁铬铁矿(化工用):含Cr2O3 50%以上,含SiO2、Al2O3少。 高铝铬铁矿(耐火材料用):含Cr2O3 30%~35%,含Al2O3、MgO多。
选别方法
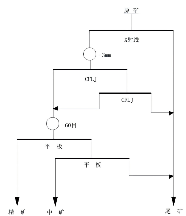
重选法:铬铁矿矿石多呈块状、条状和斑状粗粒浸染状态,且密度较大,利用矿物间密度的差异,可用螺旋溜槽、跳汰、摇床、离心机等重选设备进行分选。 磁选法:铬铁矿具弱磁性,可采用弱磁、强磁选分选。 浮选法:浮选法是选别微细粒铬铁矿的主要方法,一般在重选和强磁选处理效果都不好的情况下考虑采用,多采用阴离子捕收剂和阳离子捕收剂浮选。 南非某铬铁矿选矿试验案例 方案一 原矿经X射线分选,精矿破至-3mm经CFLJ一粗一扫选,粗扫精混合后磨至-60目,经平板一粗一扫选。试验流程见图1,试验结果见表1。 图1 选矿试验流程 表1 选矿试验结果 原矿经X射线分选,精矿破至-3mm经CFLJ一粗一扫选,粗扫精混合后磨至-60目,经平板粗选,得到产率22.11%、Cr2O3 40.95%、回收率36.91%的精矿产品,尾矿再经平板扫选,得到产率16.63%、Cr2O3 35.59%、回收率24.13%的中矿产品。 方案二 原矿经X射线分选,精矿破至-3mm经CFLJ一粗一扫选,粗扫精混合后磨至-60目经平板磁选+溜槽重选。试验流程见图2,试验结果见表2。 图2 选矿试验流程 表2选矿实验结果 原矿经X射线分选,精矿破至-3mm经CFLJ一粗一扫选,粗扫精混合后磨至-60目,经平板磁选,尾矿再经溜槽重选,得到产率38.29%、Cr2O3 40.94%、回收率63.90%的精矿产品。 应用现场








