NE板链斗式提升机
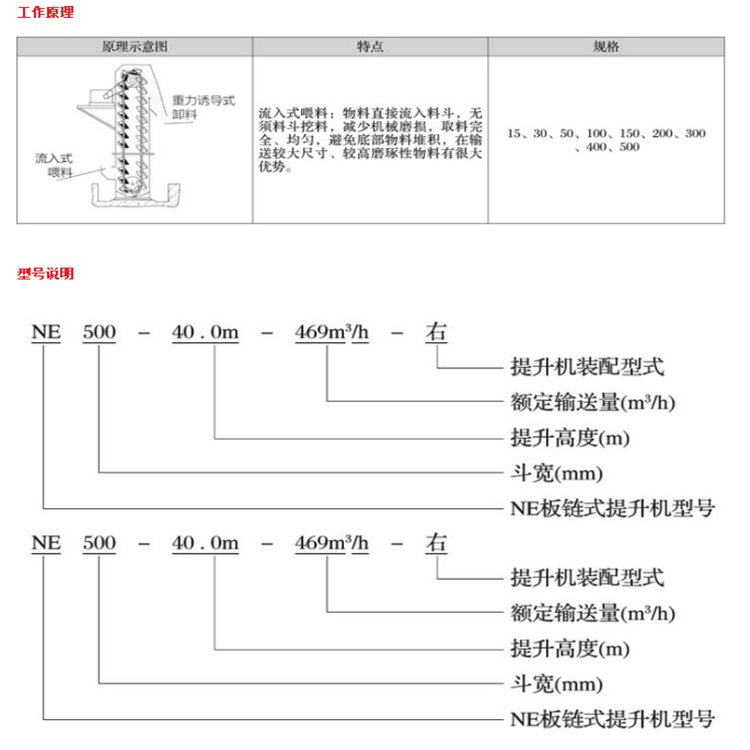
NE系列板链式提升机是本公司引进国外同类产品先进技术开发的产品。是目前国内较为先进的一种垂直斗式提升机,已被广泛用来提升各种散状物料,如:矿石、煤、水泥、水泥熟料、粮食、化肥等,这类垂直提升机在国家工业中的应用极广。 由于其高效节能,已成为替代HL及TH型等环链式提升机的选。NE型斗式提升机为板链、重力式诱导卸料提升设备,设计原理符合行业标准,
整机运行可靠。
配用功率参考计算公式:
(输送量x密度x输送高度x9.81÷3600+挖取功率+空载功率)X1.2
输送量单位为(吨/时),输送高度为(米),挖取功率和空载功率见下表:

NE斗式提升机 含电机,为整机价格
型号 输送能力 斗速 主轴转速 物料粒度 料斗 箱体尺寸 价格
(立方米/时) (米/秒) (转/分) (毫米) 容积(升) 斗宽(毫米) 斗距(毫米) (毫米) 以下“-+”为减一米和加一米的价格)
NE15 15 0.5 15.54 +1900元/米
NE30 32 16.45 +2270元/米
NE50 60 16.45 +3510元/米
NE100 110 14.13 +4650元/米
NE150 170 14.13 +5940元/米
NE200 210 10.9 +7800元/米
NE300 320 10.9 +8850元/米
NE400 380 8.3 +10080元/米
NE500 470 7.1 +11000元/米
注 1.此价格包含所需电机,减速机,为整机价格。
2.使用公式计算配用功率时,需要套入NE型号对应的斗宽计算,而不是套入NE型号。

性能特点:
性能特点 详细说明
提升能力大 采取流入式喂料,策略诱导式卸料,且采用密集型布置的大容量料斗输送,链速低,且提升量大。提升 量范围为15~800m3 / h
驱动功率小 物料提升时,无回料和挖料现象,因此无效功率小,从而驱动功率也相应减小。
提升范围广 这类提升机对物料的种类、特性及块度的要求少。不仅可提升粉状、粒状和块状物料,而且可提升磨琢 性大的物料和温度在≤250℃的物料。
提升高度高 链速低,运行平稳,且采用板链式离强度耐磨链条,因此可达较离的提升高度(高达40m)。
使用寿命长 提升机的喂料采取流入式,运动部件与物料之间很少发生挤压和碰撞现象,本机的设计保证物料在喂 料、提升和卸料中不会撒落,这就防止了物料对机体的磨损,输送链采用板链式髙强度耐磨链条,延长 了链条和链斗的使用寿命。据国外同类产品在生产中长期的实践表明,输送链使用寿命超过5年。
运行可靠性好 先进的设计原理,保证了整机运行的可靠性。无故障时间超过3万小时。

提升机装配型式的识别:
▲左装—指人在进料口一侧,面对进料口,驱动装置在左边。
▲右装—指人在进料口一侧,面对进料口,驱动装置在右边。
结构组成
NE板链斗式提升机由运行部件、驱动装置、上部装置、中部机壳、下部装置组成。
1、运行部件:由料斗和套筒滚子链条组成,NE15、NE30采取单排链,NE50~NE800采取双排链。
2、驱动装置:采取Y系列电动机,通过减速器(或直接用摆线针轮减速电机)和链传动组成。(可根据用户要求而定)。
驱动装置分左装和右装两种。分别与提升机左、右装对应。
左装:为人在减速器输出轴端,面对减速器,传动小链轮在右侧。
右装:为人在减速器输出轴端,面对减速器,传动小链轮在左侧。
注:提升机驱动平台由单面与三面两种平台制法,一般以三面平台制作,客户要求采用单面平台或维修架时,请合同 上注明,差价另补。
3、上部装置:有上置、上部机売、头轴装配等部件,逆止器、卸料口装有防回料橡胶板。
4、中部机壳:带检视门中间节,标准中间节和非标节。
5、下部装置:安装有张紧装置,本公司对不同型号采用不同的拉紧结构。NE15~NE50采取弹簧张 紧,NE100~NE800采取坠重箱张紧。













