会员登录
|
免费注册
|
忘记密码
|
管理入口
返回主站
|
|
保存桌面
|
手机浏览
|
联系方式
|
购物车
企业会员
第1年
祁县新源泵业有限公司
潜水泵、潜污泵、排沙泵、wq污水泵、防爆电泵、排污电泵、潜水排沙、排沙电泵、气动隔膜泵、潜水排污泵、工程污水泵、不锈钢污水泵、偏出水污水泵
网站首页
供应产品
方案案例
公司新闻
知识问答
资料文档
公司视频
公司相册
公司介绍
荣誉资质
供应产品
方案案例
公司新闻
知识问答
资料文档
公司视频
公司相册
荣誉资质
搜索
新闻中心
暂无新闻
商品分类
暂无分类
联系方式
请先
登录
或
注册
后查看
站内搜索
供应产品
方案案例
公司新闻
知识问答
资料文档
公司视频
公司相册
荣誉资质
荣誉资质
暂未上传
友情链接
暂无链接
首页
>
供应产品
>
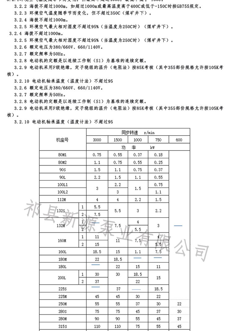
YBK3防爆电机 煤矿井下用隔爆型三相异步电动机
YBK3防爆电机 煤矿井下用隔爆型三相异步电动机
单价
¥
3000.00
/ 台
对比
询价
暂无
浏览
243
发货
山西省晋中市祁县
库存
97台
品牌
矿禹
品牌
矿禹
是否支持加工定制
否
是否进口
否
过期
长期有效
更新
2025-06-04 11:27
详细信息
©2025 祁县新源泵业有限公司 版权所有 技术支持:
飞矿网
访问量:1