








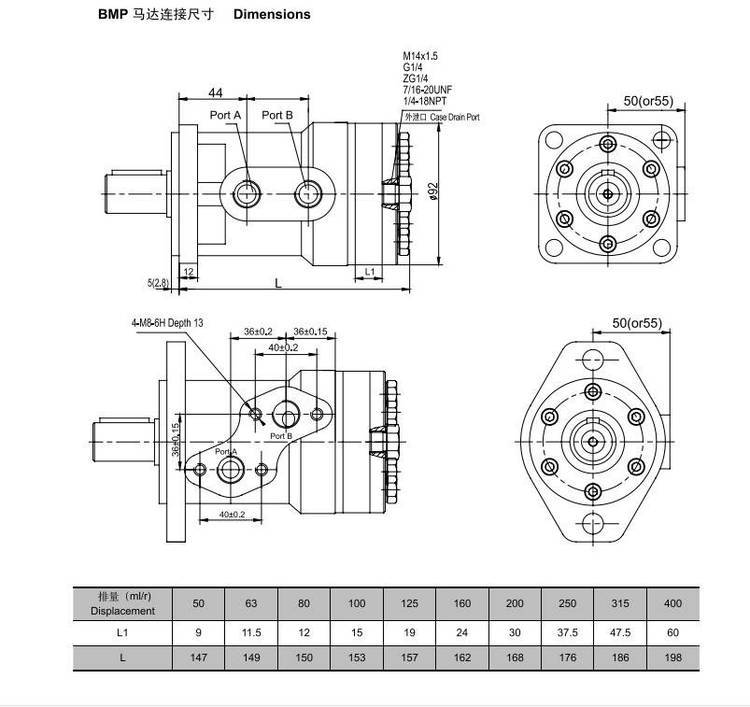
BM系列马达是一种负载能力更高的轴配流摆线液压马达,能适用于高压力下的长期运转。采用输出轴与配流机构整体结构设计、镶齿式定转子、两端滚动轴支撑 进口回转动密封圈,使马达允许在较高的背压下工作。
1.配流机构与输出轴一体成型,具有更高的配油精度,容积
2 的轴密封设计,高的背压承受能力。
3.镶齿式定转子和 的花键参数设计使机械 ,寿命长。
4.两端双滚动轴承设计,具有更大的侧向承载能力,适用于各种各种状况。
5.主要应用于石油、煤炭机械和小型吊车等工程机械。
1 / 4









BM系列马达是一种负载能力更高的轴配流摆线液压马达,能适用于高压力下的长期运转。采用输出轴与配流机构整体结构设计、镶齿式定转子、两端滚动轴支撑 进口回转动密封圈,使马达允许在较高的背压下工作。
1.配流机构与输出轴一体成型,具有更高的配油精度,容积
2 的轴密封设计,高的背压承受能力。
3.镶齿式定转子和 的花键参数设计使机械 ,寿命长。
4.两端双滚动轴承设计,具有更大的侧向承载能力,适用于各种各种状况。
5.主要应用于石油、煤炭机械和小型吊车等工程机械。
精简顾问模式,可继续咨询产品参数、适用工况、报价方式、交付周期和合作细节。