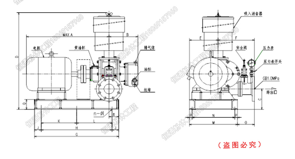
产品简介
罗茨鼓风机是容积式风机的一种,有两个三叶叶轮在由机壳和墙板密封的空间中相对转动。类型有防爆风机、防腐蚀风机、卧式、立式、联轴器直联传动、带传动支架式、带传动悬壁式。下面随小编看看我们厂的直联式罗茨鼓风机。由于每个叶轮都是采用渐开线,或是外摆线的包络线,每个叶轮的三个叶片是完全相同的,同时两个叶轮也是完全相同的,这样就大大降低了加工难度。叶轮在加工时采用数控设备,保证了两个叶轮距不变情况下,不管两个叶轮旋转到什么位置,都能保持一定的小间隙,从而保证气体的泄露在允许范围内。
两个叶轮相向转动,由于叶轮与叶轮、叶轮与机壳、叶轮与墙板之间的间隙小,从而使进气口形成了真空状态,空气在大气压的作用下进入进气腔,然后,每个叶轮的其中两个叶片与墙板、机壳构成了一个密封腔,进气腔的空气在叶轮转动的过程中,被两个叶片所形成密封腔不断地带到排气腔,又因为排气腔内的叶轮是相互啮合的,从而把两个叶片之间的空气挤压出来,这样连续不停的运转,空气就不断地从进气口输送到出气口,这是罗茨鼓风机的整个工作过程。
产品 · 参数
PRODUCT PARAMETERS
罗茨风机型号及参数表

产品 · 应用
PRODUCT APPLICATION

高强石膏粉气力输送
我们恒通粉体为客户定制了一条正压高强石膏粉气力输送系统,该项目参数水平距离20m、垂...

废旧轮胎裂解炭黑气力输送
我们客户将废旧轮胎裂解炭黑集中到一个料仓,输送量3t/h、水平距离:20m、垂直高度6m,来...

煅烧焦粉除尘灰气力输送
新型炭材料行业经常会采用气力输送系统进行煅后焦粉的运输,此次煅烧焦粉除尘灰气力输...
产品 · 特色
PRODUCT CHARACTERISTICS

清洁环保
输送系统完全密闭,不会造成环境污染及保障输送物料清洁;满足食品级输送环境。

降低成本
气力输送结构简单易损件少且维护方便,简单易学。

设备占地少
管道配置灵活,占地空间少,气力输送比传统的机械传送更适合复杂的工厂布局使工艺流程更合理。

提高生产效率
粉粒料可进行长距离分散和集中输送,输送量大速度快;可实现全自动化控制。

满足多种工艺需求
混合、粉碎、分级、干燥、冷却、除尘、计量等,满足您的生产所需。

殊物料输送需求
对化学性质不稳定的物料,采用惰性气体循环输送。

