背景及需求
应用背景
对于生产型企业来说,生产材料进购量、生产消耗量、出库量的盘存管理是优化管理和降低生产成本的重要环节。为了便于企业核算生产成本、评估企业效益并科学地对生产过程进行管理,需要快速、精确地测量生产材料的存储量和消耗量。库存的准确测量不仅能为核算生产消耗和生产成本提供重要的依据,也有助于企业管理资产,同时还能为企业提升经济效益,从而避免无形中流失巨大的资金成本。

业务现状
企业生产中用于生产的原材料堆料库储量控制需要恰到好处(比如发矿山砂石料、金属生产企业用的矿石原材料等),储备太少影响企业正常生产,储备太多阻碍资金周转,影响企业效益。
目前传统的堆料体积测量以人工测量的方式为主,当前的方式也面临很多问题:
盘库效率低:人工测量工作量大、时间长。另外,部分场景环境恶劣,比如水泥熟料库的高温,煤堆库、矿石库的粉尘等,对工作人员会造成一定程度的损伤。
测量精度低:人工测量中大型堆料库的方式主要是人工操作机器将物料堆整理,形成规则的立体形状,再结合人工测量的堆料参数,最后估算出煤堆的近似体积,所得的结果往往误差很大。整个过程需要几个工作人员花费1到2天甚至更多的时间才能完成测量。测量结果精度还很依赖工作人员的操作是否到位,人工干扰因素过多,最后测量的物料堆体积不够精准。
管理困难:人工测量数据只能通过手工记录再导入到企业的库存管理系统,整个过程中存在数据丢失和录入错误的风险,数据存档困难,不易进行在线数字化管理。
需求分析
运用科技手段对堆料体积进行测量,建立数字化堆料体积测量盘库系统,代替传统的耗时耗力的人工测量方法,随时了解生产材料的库存信息,最大限度的消除漏、跑、丢现象,帮助企业达到材料购买量与消耗量的平衡。
堆料体积测量盘库系统能够友好的支持管理生产过程、模拟料堆外形、辅助预测生产消耗,最终达到优化库存量、减少成本支出、减少冗余生产流程的目的。作为数字化生产的重要组成部分,堆料体积测量系统可与企业管理系统相融合,从而大幅度提企业的生产效率和管理水平,实现材料库存量的实时性、准确性和数字化盘点。
方案总体设计
总体架构
方案拓扑
图1 方案拓扑图
方案说明
方案前端设备主要由介可视全景扫描系统和体积成像主机组成,在粉尘相对较大的环境下,采用毫米波成像雷达,不受雨水、灰尘、光照等环境影响因素影响,成像效果较好。全景扫描系统通过扫描获得堆料数据,体积成像主机接收数据后计算获得堆料体积,同时配合平台实现体积数据的展示和管理,提升企业的生产效率和管理水平,实现材料库存量的实时性、准确性和数字化。
系统工作流程
全景扫描系统通过发射和接收电磁波,获取目标的距离和方位角度信息,并通过云台旋转,实现探测距离内目标点云数据,以全景扫描系统为原点建立三维坐标系,采集堆料表面点位坐标,坐标数据按网格模型重组,每个网格作为最小计算的体积微元,累加求和得到整个堆料的体积。经过边缘智能终端数据处理,实现目标轮廓扫描,微积分计算,最终实现堆料目标体积的精确测量。后端平台可以对数据进行展示以及高度超阈值报警推送等功能。
图2 系统工作流程图
设备安装部署
介可视全景扫描系统通过二维轴向360°旋转,最终达到空间范围内的静态目标扫描成像,用户可根据全景扫描系统呈现出来的效果进行盘库、目标识别、体积测量等相关功能。全景扫描系统安装在库房顶部,在料堆上方吊装;现场库房较大,也可以安装多个全景扫描系统,最终数据汇总到平台进行整合拼接工作。
安装示意图如下图所示:
图3 检测分布示意图
长形堆棚
堆棚为长拱形结构,库房长宽高尺寸为200m*100m*,最高位置40m,内部为块状煤或粉状煤,堆料高度一般8m左右,人工无法盘库,也无比较有效的盘库手段,并且现场环境恶劣,作业时候灰尘严重。
图4 堆棚点位俯视图
图5 堆棚点位侧视图
堆棚使用8台介可视全景扫描系统进行成像拼接,以覆盖全部区域,分两排安装;
安装位置需预留24V直流电源线与千兆以太网线;
配电箱在库房靠近地面位置,配电箱处预留220V电源线;
网线尽量不要超过100m,若超过100m需要增加交换机或改为光纤;
吊装,尽量保证雷达水平架设。
安装注意事项
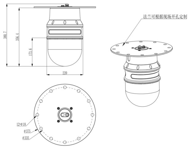
尺寸
全景扫描系统安装在筒仓、罐体或者料棚库房顶部,进行物料轮廓扫描,标配DN250法兰,具体尺寸如下图所示。
图6 尺寸图
雷达架设方案
目前配备两种安装支架:横杆支架、标准法兰。
横杆支架:通过3个抱箍把支架固定在横杆上,一般应用在料棚;
标准法兰:可直接适配DN250法兰孔,一般应用在筒仓、罐体;
通过支架架设方式如下图所示:架设示意图

图7 尺寸图
备有延长支架,支架长度1m,当筒仓顶部有承重梁或者金属架遮挡的情况下,可以安装延长支架下探,达到更好的测试效果。
图8 尺寸图
接线
全景扫描系统线束定义如下图所示。现场直接把24V电源线与网线连接即可,带有配电箱,配电箱内部带有适配器,可以把220V交流电源转换为24V直流电源,再接入。
配电箱可以放在方便安装的位置,建议配电箱与全景扫描系统之间连线小于100米。
图9 线束定义
设备清单
设备清单如下:
表1 设备清单
库房 | 序号设备 | 数量(台) | |
1 | 堆棚 | JKS360-1-JS/全景扫描系统 | 8 |
JKS360-1-CX/体积成像主机 | 2 |
核心设备介绍
方案的前端设备主要由全景扫描系统、体积成像主机组成。
表2 全景扫描系统特点
成像产品 | 功能特点 | 适用场景 |
全景扫描系统 | 采用80GHz FMCW技术,具有较高的分辨率和可靠的环境适应性和高精度探测能力。 | 室温场景,不受粉尘,光线,雨水等影响,可应用煤棚、石灰石库等场景。 |
全景扫描系统
常温毫米波全景扫描系统产品简介
全景扫描系统是由发射机,接收机,电机等基本组成,通过发射电磁波,电磁波经过目标物体进行反射,雷达接收到目标反射信号进行数据处理,获取目标距全景扫描系统达之间的距离和方位信息,通过电机旋转,实现360°扫描,生成高密度点云数据实现目标成像,输出制定区域内堆料体积信息。采用80GHz FMCW技术,具有较高的分辨率和可靠的环境适应性和高精度探测能力,不受粉尘,光线,雨水等影响,可应用水泥,煤炭,发电,钢铁,采矿,粮仓等场景。
功能和性能
设备功能
l 采用 80GHz- FMCW 技术,分辨率更高,检测性能更稳定;
l 探测距离半径 50 米, 快速形成点云数据输出;
l 支持 RS485、网口通信;
l 全天候工作,不受天气、光线、温度、粉尘等环境影响;
l 360°快速扫描进行目标监视;
设备性能:
表3 全景扫描系统
技术分类 | 参数 |
波束角 | 2° |
水平扫描范围 | 360° |
垂直扫描范围 | 180° |
作用距离 | 50m(半径) |
距离精度 | ±2.5mm |
扫描时间 | <30s |
通讯接口 | RJ45 |
工作电压 | 24V DC |
功耗 | ≤40W |
工作温度 | -45℃~ +85℃ |
重量 | ≤7KG |
防护等级 | IP67 |
体积成像主机
图10 体积成像主机
产品简介
体积成像主机是一款高性能的堆料体积测量主机,负责读取全景扫描系统探测的点云数据并利用高性能算法进行数据处理,输出堆料的体积和三维建模效果图。主要用于水泥、煤炭、发电、粮仓等场景进行体积测量、轮廓扫描等功能,以实现工业智能化、数字化建设,为智能生产提供技术支撑。
产品功能和性能
产品功能
l 支持8台全景扫描系统接入,并支持各个位置标定
l 支持多个全景扫描系统画整体感兴趣区域,并支持展示感兴趣区域的三维建 模效果图和计算堆料的体积
l 支持整体堆料高度预警设置
l 支持两路报警输出
产品性能:
表4 体积成像主机
操作系统 | 嵌入式Linux操作系统 |
操作界面 | WEB |
内存 | 32G |
存储 | 512G+2T |
网络接口 | 4路 |
USB | 4个USB3.0(后),4个USB2.0(前) |
COM | 6个 |
电源接口 | 1个 |
尺寸 | 257mm*191mm*79mm(长*宽*高) |
工作温度 | -20℃~65℃ |
工作湿度 | 10%~90% |
方案优势
高效精准
人工盘库准确率取决于工人的经验判断,不同工人,甚至同一工人在不同时期估算的体积都有较大误差,而雷达盘库采用科学的网格模型计算堆场体积,结果的准确性和一致性远高于人工盘库。
安全环保
很多堆料库内的物料多为煤堆、矿石、砂石料等,普遍粉尘较大;熟料库中温度较高,测量起来比较困难,工人工作环境恶劣,在测量时易引起身体不适甚至诱发职业病。而通过全景扫描系统进行体积自动测量,可以减少人工在恶劣环境下的作业时间,保障工作人员安全。
场景适用性强
针对堆料检测的普通场景、粉尘较大场景、高温场景等复杂需求应用场景,提供毫米波、激光、耐高温毫米波等相对应的产品应用方案,场景适用性强,应用广泛。
方案业务完整
本方案针对堆料体积的完整业务流程,提供前端感知探测设备、成像主机设备、后端管理平台等一整套全面的产品应用方案。
