概述:
德国MuTec(莫特)公司成立于1970年,已有50多年的历史。公司位于德国汉堡,MuTec长久以来不断致力于粉尘检测领域的创新与发展。在粉尘排放控制方面FS700E粉尘检测仪采用了精准的测量原理和智能算法,独特的产品设计和严格的生产工艺,以及丰富的现场经验和严谨的科学态虔,从而保证了产品的性能、质量、使用寿命和工作可靠性等方面,在同类市场上确立了的优势。
MuTec公司一直秉承着初心生产产品,这就意味着所有产品的发展都是遵循着严格的标准进行的,同时使产品的性能佳化,我们的客户从这个标准中受益。
技术优势:
● 清晰监测每个布袋除尘效果;
● 优化除尘器控制系统;
● 提高除尘效率;
● 降低袋室维护成本;
● 降低工人劳动强度;
● 保护除尘器下游设备安全;
● 监控工厂生产及周围环境;
● 促进企业实现自动化管理。
FS700E20型颗粒物粉尘浓度检测仪:
全新的测量原理结合智能的算法保证了测量有效可靠,震动、水汽、探头粘附物不影响测量,测量范围从0.lmg/m3~1kg/m3, 在线连续监测除尘系统出口管道内粉尘浓度,能够清晰地反映出整个除尘系统的除尘效率。
FS700E防爆型粉尘浓度检测仪:

技术数据
测量介质气流中的固体颗粒
粉尘直径≥ 0.1μm
测量范围0.1mg/m3—1kg/m3
过程条件
温度90℃(290℃可定制)
压力6bar(25bar 可定制)
烟气流速≥ 1m/s
湿度95% RH
工作原理交流静电感应
输出信号
继电器输出 *大1.5A,48V AC/DC (G01 型)
晶体管输出 *大25mA,31V DC (G02 型)
隔离4—20mA 输出(G20 型)
环境条件
温度-20℃—85℃ ( 特殊定制高温型:290℃ )
压力6bar
震动6m/s 或更小
湿度95% RH
材质
探头(AISI 316 TI)不锈钢
主体(1.4305)不锈钢
探头绝缘PA
密封材料NBR(丁晴橡胶)
防护等级IP67
防爆等级(可选) Ⅱ 3G Ex nA Ⅱ T4
Ⅱ 3D Ex tD A22 IP67 T100℃
安装螺纹规格 1 ½''
电源17—31V DC
耗电量1.5W / 24V DC
电气接口螺柱式接线端子
电缆密封套M16×1.5
电缆直径3.5—8mm
重量2,170g

![]() | 德国MuTec公司的FS700E系列粉尘仪采用全新的交流静电感应测量原理,当带电粒子( 粉尘) 接触或经过FS700E传感器测量杆附近时,在测量杆上产生感应电动势,这个电动势与粉尘浓度咸正比,这个电动势经过测量放大,通过智能数字算法)虑除直流部分干扰信号,只有信号中的交流部分用于计算粉尘含量,对应输出4一20mA信号或报警开关信号。测量不受震动、水汽、探头粘附物的影响。 |
| 应用领域 食品行业:面粉与谷物、咖啡与茶、淀粉、奶制品、糖、宠物食品等; 化工行业:塑料、合成橡胶、纯碱、化肥、纤维、洗衣粉、炭黑等; 烟草行业:烟丝粉末、烟叶等 木材行业:锯末等; 纸浆和造纸:煤粉、纯碱等; 轮胎行业:橡胶、炭黑等; 焚烧炉:飞灰等; 采矿:矿粉等。 | 应用场合 ● 各种除尘器效率检测优化控制; ● 固定污染源的粉尘排放检测; ● 烟道和烟囱内的粉尘浓度测量; |
德国MuTec粉尘浓度检测仪布袋除尘器应用
德国MuTec粉尘排放检测仪铝行业应用
德国MuTec交流静电粉尘仪钢铁冶金行业应用
德国MuTec粉尘浓度监测仪火力发电厂应用
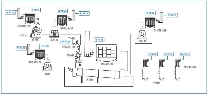
德国MuTec颗粒物排放检测仪水泥厂应用
德国MuTec在线粉尘检测仪现场应用

