概述:
广泛应用型限位开关
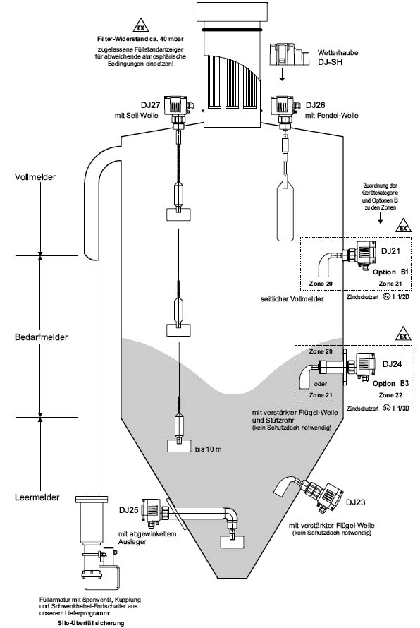
德国MOLLET阻旋料位控制器DJ21是在几乎所有的大宗物料作为筒仓和物料满仓,空仓或螺旋输送机堵料控制等。 独立的单元配置提供了许多选择和广泛的配件能够准确地适应具体的应用。
产品特点
•不受物料压力,温度,灰尘,结块,介电常数等影响
•适用于危险区域
•应用范围广
•经济型产品
•测量范围可达1000 mm
•可靠性高
•免维护
•安装方便
DJ21是在几乎所有的大宗物料作为筒仓和物料满仓,空仓或需求的指标。 独立的单元配置提供了许多选择和广泛的配件能够准确地适应具体的应用。


工作电压 | 230,115,48,24 V AC | Signalschalter
|
信号开关 | 1mA 4V DC 2A / 250V AC | 转换触点 |
输出 | 继电器信号 | |
过程过程温度 | -40 °C … +500 °C-40°C ~ +500°C | 高达bis +1200 °C auf Anfrage定制+1200°C定制 |
环境温度 | -40°C〜+70°C | |
过程压力 | -1 bar … 25 bar | Max 100 bar |
ATEX认证 | Dust Ex和Gas Ex | |
过程连接 | 螺纹,法兰等。 | 铝或不锈钢 |
外壳防护 | IP66 | 铝或不锈钢 |
动臂(波和测量翼) | 不锈钢 | |
密封环
| 丁腈橡胶,氟橡胶,聚四氟乙烯,石墨 | |
安装位置 | 任何位置安装 | |
维护维护 | 免维护 |
DJ21广泛应用于固体散装物料如:粉末、粒状和粗粒度的位置测量。 DJ21在各种应用中的*小或*大值水平点报告中可靠和准确的。 因此,此限位开关也被用在许多行业:
•化肥的灌装机的料斗中的位置指标
•用于温度高达200℃的塑料颗粒机内的*监测
•在奶粉储罐中的满仓监测
•在制药工业中的各种原料在反应器中料斗的需求指标
粮食筒仓,谷物粉磨机,饲料装置,水泥,混凝土搅拌设备,沙子,卵石,砂砾,球团矿木材,木材废料,木头碎片,筒仓散装货物,料仓,塑料筒仓,大型筒仓,容器,卸出输送管,输送机,升降机,输送机传送带,装卸设备,加载料仓,除尘器

