详细信息
一、用途及特点
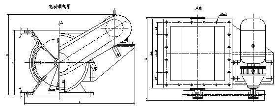
电动锁气器又称给料机、星形卸料器,是用于火电厂、化工厂、粮食部门等输送干燥粉状、粒状物料时锁气、均匀给料之用。在火力发电厂一般将它安装在电除尘器、省煤器、空气预热器等灰斗下部。本产品可在200℃以下连续工作,结构新颖,密封性好,维修方便。
二、主要技术参数

型 号 | DS10 | DS15 | DS20 | DS40 | DS60 | DS80 | DS100 | DS200 | |
出力 t/h | 10 | 15 | 20 | 40 | 60 | 80 | 100 | 200 | |
A × A | 420×420 | 420×420 | 420×420 | 530×530 | 530×530 | 640×640 | 640×640 | 640×640 | |
N1×A1(A2) | 3×120(0) | 3×120(0) | 3×120(0) | 3×120(55) | 3×120(55) | 5×116(0) | 5×116(0) | 5×116(0) | |
N2 - d | 12-Ф14 | 12-Ф14 | 12-Ф14 | 16-Ф14 | 16-Ф14 | 20-Ф18 | 20-Ф18 | 20-Ф18 | |
驱动装置 | 功率KW | 0.75 | 0.75 | 1.5 | 0.75 | 2.2 | 4 | 4 | 5.5 |
外形尺寸 | h | 455 | 504 | 504 | 550 | 550 | 600 | 600 | 600 |
t | 15 | 18 | 18 | 20 | 20 | 25 | 25 | 25 | |
L×M×H | 700×547×530 | 790×547×587 | 790×547×587 | 895×664×634 | 895×664×634 | 1063×780×788 | 1063×780×788 | 1103×780×798 | |

