双锥混合机
简 介:
双锥混合机主要针对粉体与粉体的混合,特别针对混合批量比较少,混合均匀度要求高,混合无死角的产品,设备一般设计为筒体旋转等方式,根据筒体的形状、旋转方式、内部叶片的分布形式等分为双锥混合机、V形混合机、单转筒等,设备整个使用过程分为停机加料、开机混合、停机出料等过程、可以选择真空上料相配合。
工作原理:
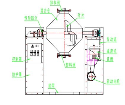
双锥混合机由转桶、设备支架、动力部分组成。
转桶设计为双锥等各种形式、同时在筒体内设计成不同的叶片形式、筒体转动时、物料在桶体内不断的提升、抛洒、交错、达到快速混合的效果,*后达到均匀混合,整个混合过程筒体在不断的翻转,筒体内所有物料都得到运动,混合无死角。
物料必须具有流动性、有粘稠性物料不能够抛洒。
混合过程必须停机加料、生产只能批次性进行,生产效率不高。
产品优势:
1. 结构紧凑,操作简单,清洁方便,运转平稳,无噪音。
2. 能适应各种物料的混合,且均匀率比较高。
3. 可实行真空进料和碟阀出料,实现无尘操作。
4. 电气系统有对电机的过载保护及调速表旋转控制停机后的卸料品位置。
应用领域:
食品、医药、咖啡、奶粉、方便面、八宝粥、火腿肠、核桃粉、花椒粉、面粉、防霉剂、防腐剂、香精香料、味精等。
外形图:
技术参数:
设备型号 | 设备容积 (L) | 生产容积 (L/Batch) | 混合量 (Kg/Batch) | 功率 (Kw) | 主轴转速 (R/min) | 外形尺寸 (mm) | 设备重量 (Kg) |
MSZH-100 | 100L | 30~50 | <100 | 1.1 | 15 | 1500*600*1500 | 240 |
MSZH-200 | 200L | 50~100 | <150 | 1.5 | 15 | 1750*700*1700 | 300 |
MSZH-500 | 500L | 150~250 | <300 | 2.2 | 15 | 4200*1650*1560 | 650 |
MSZH-1000 | 1000L | 300~500 | <600 | 3 | 12 | 4400*1850*1850 | 900 |
MSZH-1500 | 1500L | 300~800 | <800 | 4 | 12 | 4500*1850*2000 | 980 |
MSZH-2000 | 2000L | 500~1000 | <1000 | 5.5 | 12 | 5400*2050*2250 | 1600 |
MSZH-3000 | 3000L | 500~1500 | <1500 | 7.5 | 9 | 6550*2350*2700 | 1800 |
MSZH-4000 | 4000L | 1000~2000 | <2000 | 11 | 9 | 6800*2500*3000 | 2200 |
注: * 表中混合量是以比重为1的粉料为介质所测数据,选型应根据产品的目数、比重等参数进行计算。
* 如有高温、高压、易燃、易爆、腐蚀性等工况时,必须提供详细数据,以便另行选型定制。
* 本表数据及图片如有更改,恕不另行通知,正确参数以提供的实物为准。
* 本表未能包括所有产品,了解更多请和我们销售工程师联系。


