纸,不仅记录了文明的变迁,也依然在今天的人类社会中占有重要的地位。按用途来说,纸可以分为包装用纸、印刷用纸、工业用纸、办公,文化用纸、生活用纸和特种纸等。他们之间除了肉眼可辨的外观,在微观层面有何不同?今天,我们将借助国仪量子的扫描电子显微镜,带大家一探究竟。
01 扫描电镜在造纸工业中的应用
纸,由含植物纤维的原材料经过制浆、调制、抄造、加工等工艺制成。
扫描电子显微镜是一种有效的显微结构分析工具,其优点包括能够直接观察样品表面结构、样品多角度观察,景深大、图像富有立体感,图像放大范围广、分辨率高,对样品污染和损伤小等。
随着扫描电镜技术的发展,其优越的性能在造纸学科微观领域中的应用日益广泛,可应用于研究纸张纤维形态,造纸填料种类和分布情况,涂布纸涂层形貌和结构及分析涂料配方等,能够帮助人们更好地理解纸张结构、性质、工艺过程以及环境保护等相关问题。
现在,就让我们用国仪量子扫描电子显微镜来观察几种不同类型的“纸张”吧!
02 古籍


古籍/3kV/ETD

古籍/10kV/BESD
使用ETD探测器能够清晰的表征古籍的微观形貌,其构成的植物纤维粗细不均、堆积较为紧密;结合BSE探测器可以看到其表面附着较多的颗粒状物质;再结合能谱EDS结果分析,纸张表面含有C、O、Al、Si、Ca、S、Cl、Mg、K、Na、Cu、Fe等元素。由此可以判断出,该古籍样品污染较为严重。
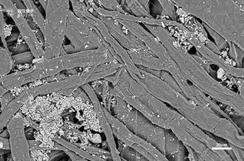
03 A4纸


A4纸/3kV/ETD

A4纸/10kV/BESD
与古籍样品相比,该A4纸样品的纤维直径总体比古籍样品更细一些,轮廓更为清晰,堆积也较为紧密。除了纤维形态,在BSE探测器下,能够清晰的观察到纤维结合的空隙中的填料。研究表明,不同品牌的A4纸填料的元素组成也是不同的,会出现Ca、O、C、N等元素的不同组合。
再使用EDS进行对本样品进行进一步分析时得到,该样品的填料元素由Ca、O组成。填料的存在改善了植物纤维无法紧密排列成光滑表面的缺陷,从而保证了纸张的光滑度和印刷性能。
04 面巾纸&卫生纸


面巾纸/3kV/ETD


卫生纸/3kV/ETD
由图可知,在扫描电子显微镜下,两种样品的纤维直径差异并不大,都是十几微米。但相比于A4纸样品而言,面巾纸和卫生纸的纤维排列较为稀疏,纤维间空隙大,堆积较为疏松,这也是卫生纸比A4纸更容易撕破的原因。此外,可以发现样品表面有很多非常纤细的纤维,这是因为样品在生产时经过了一系列处理,纸张的柔软度发生了改变,以避免刺激或划伤皮肤。
05 棉柔巾


棉柔巾/3kV/ETD
棉柔巾在严格意义上讲属于无纺布,在扫描电镜下可以观察到它的纤维排列较为整齐,且直径较为均一,在10微米左右。
综上所述,在我们使用扫描电子显微镜对纸张进行形貌表征时,能够通过观察纸张纤维的粗细程度、纤维堆积的紧密程度以及纸张纤维中填料剂量的多少对纸张所属类型进行初步推断。随着扫描电镜技术的在造纸学科微观领域中的应用日益广泛,可为纸张表面形貌分析、断面分析、填料形态分析等提供有效的研究手段。
06 参考资料
CARLSSON L A, LINDSTRÖM T.A shear-lag approach to the tensile strength of paper[J/OL].Composites Science and Technology, 2005, 65(2): 183-189.
