磁性材料样品在扫描电子显微镜(SEM)中的观察可能会受到其自身磁性的影响,这种影响主要集中在仪器的正常运行和成像质量上。
磁性材料
物质按照其内部结构及其在外磁场中的性状可分为抗磁性、顺磁性、铁磁性、反铁磁性和亚铁磁性物质。铁磁性和亚铁磁性物质为强磁性物质,抗磁性和顺磁性物质为弱磁性物质。
磁性材料按照用途,主要可以分为永磁材料、软磁材料和磁致伸缩、磁制冷材料等。
扫描电镜在磁性材料中的应用
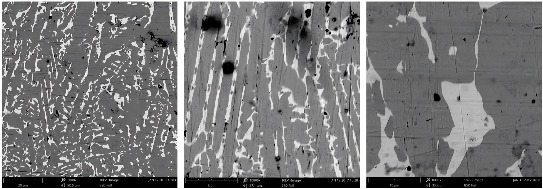
稀土永磁
烧结磁体:速凝带、粉末颗粒、磁体晶粒大小形状以及境界相的分布
热压磁体:快淬带、磨粉颗粒、磁体晶粒及晶界相分布
粘接磁体;造粒、磁体颗粒及粘接剂的分布

飞纳电镜下的烧结 NdFeB

飞纳电镜下的烧结 NdFeB 速凝带
磁性样品对扫描电镜的影响
磁性材料产生的磁场会干扰电子束的聚焦,影响束斑形状,引起图像模糊变形,称为象散变化。
扫描电镜的物镜和扫描线圈都是通过电磁场控制的,磁性样品有磁场存在,会造成磁场叠加,叠加的磁场可能不均匀,使得物镜磁场偏离轴心对称,导致束斑变形,造成象散。叠加的磁场影响扫描线圈的交变磁场,影响扫描区域的大小,造成放大倍数不准。
解决方案
象散矫正
所有扫描电镜都会提供调整象散的功能。一般情况下,扫描电镜可以存储大多数样品有效的标准值,但部分设备要求用户每次都要调整象散。
该功能提供额外的电磁场用于矫正变形的电子束,当束斑回归圆形时,可以产生最佳图像。
更改象散时,可能需要再次微调焦点。
消磁
对于部分永磁材料,过强的剩磁不仅会影响成像,而且会对扫描电镜的硬件产生干扰,甚至损坏。因此这类永磁材料的观测一定要在其退磁态进行,一般可以采用热退磁方法,将磁体加热到居里温度以上 100 摄氏度,并保温超过半个小时以上,使磁性完全消除
