双斗连续式真空上料机( BQ系列)
使用说明书

一、工作原理
双斗连续式真空加料机是为了适应较长距离的粉料、颗粒料的真空输送开发的一款连续式负压输送的机型。
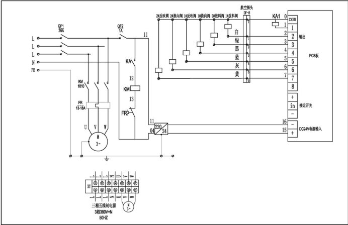
双斗连续式真空加料机由漩涡真空泵带两个真空料斗,进料三通等组成(见图例)。工作时漩涡真空泵抽气,真空料斗1上换向阀1开启,放料门1关闭产生真空,使吸料嘴进口处及真空料斗1处于一定的真空状态,粉粒料随同外界空气被吸入料嘴,形成料气流,经过吸料管、进料三通到达真空料斗1,在料斗中进行气、料分离。设定时间到换向阀1关闭,切断真空料斗1真空,放料门1打开,真空料斗1中物料放出;同时真空料斗2上换向阀2打开,放料门2关闭产生真空,使吸料嘴进口处及真空料斗2处于一定的真空状态,粉粒料随同外界空气被吸入料嘴,形成料气流,经过吸料管、进料三通到达真空料斗2,在料斗中进行气、料分离。设定时间到换向阀2关闭, 切断真空料斗2真空,放料门2打开,真空料斗2中物料放出。真空料斗1、2的物料分别进入受料设备。两个真空料斗不断循环上料、放料,吸料嘴及物料管道始终保持一定的真空状态,达到连续输送物料的目的。
两个真空料斗分别装有压缩空气反吹装置,每次放料时,压缩空气脉冲反吹过滤器,把吸附于过滤器表面的粉末打落下来,以保证吸料能正常运行。
对于受料设备只有一个加料口时,两个真空料斗通过一个分叉三通汇总为一个加料口与受料设备对接。
二、技术参数

说明:以上产量为极限产量,输送物料为40-100目细粉时测定的。输送距离越长,输送能力将下降。另外输送产量与物料特性也有很大的关系。

三、调试安装
使用本设备前,请确认压缩空气气源为洁净干燥的,工作压力为0.4-0.6mpa
1、上料机的真空料斗一般固定受料设备上,可以两个真空料斗用一个入料口或者两个口分别给受料设备加料。对于采用受料设备一个入料口时,建议另做支架固定真空上料机的料斗。
2、按设备图纸(第3.1项)用吸料软管或不锈钢硬管把吸料嘴与入料三通、入料三通与真空料斗、真空料斗与真空泵连结好,并用喉箍卡紧。
3、接好电源。电源应采用三相五线制的电缆线,因为控制电路需要“工作0”,为了安全仍需要“保护0”,”保护0“的另一个作用是消除物料输送时产生的静电对控制芯片的干扰,造成控制系统死机。因此‘保护0”必须接上。
4、用 Φ12压缩空气管插入系统进气口(过滤减压上),调整减压阀,保证系统的压力维持在0.6M pa,并按接管图将外接压缩空气气管接头与真空料斗上外接压缩空气接头连接上。
5、接通电源,打开箱门,合上三相空气开关,此时控制盒上上料时间、放料时间显示器亮。
6、调整上料时间、放料时间,数据一致即可,12秒左右。
7、按下开/关按钮,接通旋涡气泵。检查真空泵的转向,若排风口无风排出,则电动机为反转,关掉开/关按钮,调换电源的接线相序,直至气泵转向正确为止。
8、按下开/关按钮,启动旋涡气泵,将吸料嘴插入料箱中,随即开始送料。吸料——放料(同时压缩空气反吹过滤器)为一个工作循环。真空加料机将自动循环下去,直至受料设备(如包装机)料斗中的料加满(此时料位开关亮)为止。
9、受料设备料斗中料位低于料位开关时,气动三通阀自动换向,系统重新进入吸料-放料循环,直至料斗中的料加满。
10、物料输送过程,由于摩擦原因会产生较大的静电,为了消除静电,应考虑对设备外壳可靠接地。

四、清洗
1.打开卡箍,将真空料斗拆开取下,逐层清洗。
2.打开盖组取下过滤器组件清洗。
3.1、聚酯覆膜过滤器或者PE过滤器:取下过滤器组件,用软毛刷刷去表面附着物后,用压缩空气进行内外多次吹扫,吹扫干净后重新组装使用。经常进行吹扫维护可以延长过滤器的使用寿命,当上料机上料量明显下降时需对过滤器进行更换。
3.2、316L不锈钢过滤器或者钛金属过滤器:取下过滤器组件,将过滤器和过滤盘整体放入清洗水池,温水浸泡五分钟,用软毛刷清洗过滤器表面,清洗后用压缩空气吹扫,除去过滤器内部的水分,或者将过滤器放入超声波清洗仪中进行清洗,可反复进行2-3次,直至彻底清洗干净。之后放在通风处自然晾干,或者放入烘干箱内设置到50℃进行干燥处理。直至完全干燥后方可进行再次使用。
3. 取下翻板门密封圈和桶体的密封圈进行清洗。
4. 真空料斗各部件用清水冲洗干净。
5. 打开真空泵/罗茨风机上的二次过滤桶,将二次滤芯取出,用压缩空气将滤芯褶皱中的物料吹净。
故障 | 故障原因 | 处理办法 |
操作面板没有显示 | 1.开关电源输入端没有电压 (交流220V) | 检查电源接通,接通电源线是否有断路(交流220V) |
2.开关电源输出端没有电压 (直流24V) | 检查输出端,无输出或输出超出(直流24V)正负5% | |
3.电源板正负极插反(直流24V) | 检查直流电源正负极,按照电源板标注连接 | |
吸料管没有吸力 | 4.真空泵电机反转 | 倒相改变电机的运转方向 |
5压缩空气不正常 | 要求压缩空气工作压力0.4-0.6Kpa | |
6管道连接不牢固 | 检查管道连接处要用喉箍紧固,防止漏气影响真空度 | |
7桶圈安装不到位 | 检查各节桶连接处桶圈是否安装到位(如有破损需要更换) | |
8门节处门板关闭时不密封,有缝隙 | 检查密封圈安装到位,检查门板,门斗是否有变形 | |
9过滤器需要清洗 | 检查过滤器需要定期清洗(如有破损需要更换) | |
物料堵在吸料管道里 | 10.补气孔补气不够 | 调节吸料枪补气旋钮,根据实际情况确定补气量 |
11.上料时间过长 | 下调上料时间,根据现场情况合理调节上料时间 | |
物料储存料斗不放料 | 12.放料阶段门板不开门 | 1.检查压缩空气是否正常 2.检查电磁阀是否工作 |
13.压缩空气正常,旋转气缸无动作 | 1.检查放料时间是否过短(不能低于4秒) 2.检查电磁阀是否正常工作 |
五、故障诊断及排除方法
产品保修说明
欢迎您使用常州北奇机械科技有限公司生产的产品。为了维护您的利益,请仔细阅读产品保修说明:
1. 本设备自购买之日起,整机(易损件除外)享有质保壹年的服务。下列情况除外:
(1) 在未经本公司允许的情况下,对本公司产品擅自自行拆机
(2) 非正常使用条件下所产生的故障,如人为操作不当
(3) 不可抗拒灾害造成的设备损坏
2. 凡是返修的本公司产品,邮寄至本公司的费用由客户承担,维修好后的回寄费用由本公司承担
3. 对于维修产品的运输费用,我公司不接受“到付款”特殊情况下,请客户与我司销售经理联系,协商解决。
