4XC型三目倒置金相显微镜

基础型倒置金相显微镜,操作更简单,性价比高。产品结构紧凑,操作方便舒适。
● 4XC表面经防腐耐磨工艺处理,品质保证,坚实稳固。
● 适用于金相组织分析、表面形态结构的显微观察,是金属学、矿物学、高分子材料学研究的理想仪器。
● 紧凑稳定的一体化主体设计,充分体现了显微镜操作稳定性的要求。仪器人性化的设计使操作更便捷,空间更广阔。
每一个人性化的细节设计,给您带来快捷、舒适的操作模式。
观察系统:铰链式观察筒镜筒30°倾斜,舒适美观。三目观察筒,可连接*像装置。大视野平场目镜提供宽阔平坦的观察空间。
调焦系统:粗微动同轴调焦,微调格值:0.002mm;行程(从载物台表面焦点起):30mm。粗动松紧可调,带锁紧和限位装置。
照明系统:采用柯拉照明方式,孔径光阑与视场光阑可通过拨盘进行孔径大小调整,调节顺畅舒适。
物 镜:配置优良的长焦距平场消*差物镜,严格选用高透过率的镜片和先进的镀膜技术,能够真实还原样品的自然*彩。
![]() | ![]() | ![]() | ![]() | |||||||
| 观察系统 | 调焦系统 | 照明系统 | 物镜 |
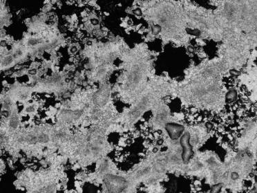
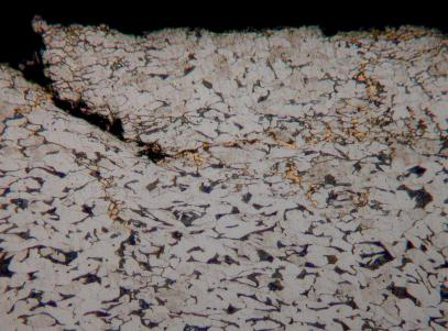
数码*像实拍效果图:
![]() | ![]() | ![]() | ![]() |
技术规格:
光学系统:有限远*差校正光学系统
观察头: 铰链式双目镜筒,30°倾斜;三目镜筒,瞳距和屈光度可调。
目 镜:大视野 WF10X(Φ18mm)
长距平场消*差物镜:PL L 10X/0.25 WD8.90mm
PL L 20X/0.40 WD3.75mm
PL L 40X/0.60 WD2.69mm
SP 100X/1.25 WD0.44mm (油)
物镜转换器:滚珠内定位四孔转换器
调焦机构:粗微动同轴调焦,微调格值:0.002mm;行程(从载物台表面焦点起):30mm。粗动松紧可调,带锁紧和限位装置
照明系统:6V 20W 卤素灯,亮度可调
载物台:双层机械移动式(尺寸:180mmX150mm,移动范围:15mmX15mm
滤光片:黄、绿、蓝。
选配件:
目镜:大视野 WF16X(Φ11mm)
大视野 WF10X(Φ18mm) 带十字分化尺
物镜:PL L50X/0.70 WD2.02mm
PL L 60X/0.75 WD1.34mm
PL L 80X/0.80 WD0.96mm
PL L 100X/0.85 WD0.4mm
软件配套:FMIA2021正版金相分析软件系统、500万*像装置、0.65X适配镜接口、高精度测微尺。
4XC贴心的各项附件,满足您工业检测中多样化的个性需求。
部件图解:

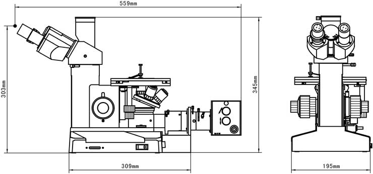
外形尺寸:










