会员登录
|
免费注册
|
忘记密码
|
管理入口
返回主站
|
|
保存桌面
|
手机浏览
|
联系方式
|
购物车
企业会员
第1年
北京北光世纪仪器有限公司
新一代WSD-3C全自动白度计 新一代WSD-3U荧光白度计 全新一代WSC-80C全自动色差计 PRS100系列精密旋转台 新一代WSD-3A 陶瓷白度计 北光WSC-100全自动色差计
网站首页
训练发布
名录
矿业权
招投标
任务
矿业114
求购
公司荣誉
供应产品
个人智能体
采集文章
企业智能体
公司新闻
客服记录
知识库
大模型
应用商店
方案案例
公司新闻
知识问答
资料文档
公司视频
公司相册
公司介绍
荣誉资质
训练发布
名录
矿业权
招投标
任务
矿业114
求购
公司荣誉
供应产品
个人智能体
采集文章
企业智能体
公司新闻
客服记录
知识库
大模型
应用商店
方案案例
公司新闻
知识问答
资料文档
公司视频
公司相册
荣誉资质
搜索
新闻中心
北京北光白度计经中国计量科学研究院鉴定为一级产品
北光世纪仪器全新白度计上市
北光世纪正式成为中国仪器仪表行业协会会员
联系方式
请先
登录
或
注册
后查看
站内搜索
训练发布
名录
矿业权
招投标
任务
矿业114
求购
公司荣誉
供应产品
个人智能体
采集文章
企业智能体
公司新闻
客服记录
知识库
大模型
应用商店
方案案例
公司新闻
知识问答
资料文档
公司视频
公司相册
荣誉资质
荣誉资质
暂未上传
友情链接
暂无链接
首页
>
供应产品
>
PRS300系列精密旋转台
PRS300系列精密旋转台
单价
面议
对比
询价
暂无
浏览
1
发货
北京市
品牌
北光仪器
型号
·
范围
--
应用行业
食品、豆制品、发酵、电镀、污废水处理、带钢清洗、锂电池等
过期
长期有效
更新
2025-11-15 10:54
详细信息
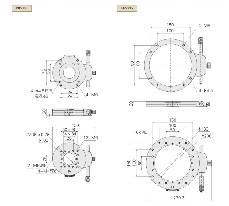
PRS300系列精密旋转台
采用
高精密交叉滚柱轴承
微分头驱动
高精密差分读数
超薄型手动旋转,
高负载能力
产品参数
©2026 北京北光世纪仪器有限公司 版权所有 技术支持:
飞矿AI
访问量:88