ARAMUS™ 一次性冻存袋的颗粒检测

2025-11-15 IP属地 未知00

引言            


           

一次性使用系统(SUS)或一次性使用技术(SUT)在生物加工中越来越普遍和广泛接受,其中包括下游步骤,如混合、填充操作和储存。在加工过程中,随着SUS/SUT组件使用量的增加,对一些成分浓度(包括微粒污染浓度)的关注也在增加。


           

但现在并没有专门针对SUS/SUT组件中微粒数量的药典或监管指南。最近,生物工艺系统联盟(BPSA)发布了一份关于这一主题的实用公文:“2014微粒指南:一次性工艺设备微粒测试、评估和控制建议”。1 BPSA文件涉及一系列相关主题,包括:


           

⚫  为什么微粒成为了SUT的一项重要议题?

⚫  为什么SUT中的颗粒可能对以下因素造成污染风险:

—活性成分和/或配制产品。

—用于生产产品用的生物细胞。

—接受该产品治疗的患者。

⚫  SUT生产过程中如何控制微粒?

⚫  SUT使用过程中如何控制微粒?

⚫  如何处理在SUT中发现或源于SUT的微粒情况?


           

在液体测量方法的主题下,BPSA文件指出“SUT中自由粒子的液体测量方法是从用于最终公式的方法演变而来的,例如USP<788>2。这是因为没有一个标准或另一个方法可以更合适地评估SUT内粒子数。”



           

USP788        


       

注射给病人的肠外药物基本上应该没有可见的微粒。USP<788>中,注射中的微粒物质,规定了如何量化注射药物中存在的亚可见微粒,并设定了可接受的微粒浓度限值。注射用药物中的可见颗粒可通过光阻法颗粒计数器和显微计数法两者来进行检查,也可以同时使用以上两法来检测。


           

大多数USP<788>测试都是使用光学液体颗粒计数器进行的(如图一所示)。大容量药物(>100ml),要求>10µm颗粒浓度小于25颗/mL;>25µm颗粒浓度小于3颗/mL。


           

image.png            

图一 AccuSizer SIS系统



           

ACCUSIZER系统        


       

AccuSizer A7000 SIS系统是可用于USP<788>测试的仪器。它通过提供所需的10和25µm的颗粒尺寸和计数数据来满足或超过USP<788>中的所有要求,并轻松通过USP<1788>中描述的所有系统标准化测试。LE400-05传感器测量范围为0.5–400µm,最多可计算1024个通道的结果,并根据USP 788的要求来自动出具报告。



           

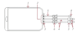
ARAMUS一次性冻存袋        


       

Aramus一次性2D冻存袋由高等级、稳定的氟聚合物制成,为关键工艺流体和最终产品保证了更高的纯度、更好的兼容性和更高的安全性。它利用新的单层技术做到了不含固化剂、抗氧化剂、增塑剂或粘合剂,大大减少了潜在污染物的数量。这些组件提供宽泛的工作温度范围,使其在冷冻环境(至零下85℃[零下121℉]或更低)中更耐用,而不会对薄膜产生负面影响。Aramus冻存袋的配置如图2所示。


           

image.png            

图2   Aramus一次性冻存袋配置


           

项目

说明

1

带挂槽的含氟聚合物薄膜

2

带三个软管倒钩端口的氟聚合物“船”装置

3

管道连接(BarbLock®/Oetiker StepLess®夹具)

4

管子1/4英寸ID×3/8”OD(铂固化硅胶/C-Flex®374)

5

管子1/8英寸内径×1/4英寸外径(铂固化硅胶/C-Flex 374)

6

管夹

7

带插头的CPC MPC外螺纹/内螺纹

8

带插头的Luer外螺纹/内螺纹



粒子测试流程        


       

用于确定零件或外壳内颗粒污染程度的基本方法是将零件浸泡在清水中,使用干净的水去冲刷零件上的颗粒,然后使用液体颗粒计数器测量剩余水中的颗粒数。外壳测试的标准方法是“晃动或涡旋”。要测试Aramus冻存袋的颗粒数时,需将袋子装满清水,放在3D摇床上(如图3所示)并搅拌一定时间。


           

image.png            

图3 3D摇床上的Aramus冻存袋


           

测试流程如下所示:            


           

1 将袋子连接到测试系统管道

2 用超纯水通过0.45µm过滤器冲洗工艺管路,绕过一次性滤袋

3 通过0.45µm过滤器将超纯水注入一次性袋中

4 用3D摇床摇动袋子两分钟

5 提取两个50 mL样品进行USP<788>测试

6 重复下一个样本



           

结果与结论        


       

检测结果                


               

步骤5中所述的测量由AccuSizer液体颗粒计数器进行。Aramus一次性冻存袋通过了USP 788规定,大于10μm的颗粒小于25粒/毫升,大于25μm的颗粒小于3粒/毫升的检测要求。测量最后要对每个样本进行多次测量,以确保统计精度,并记录平均结果。


           

结论                


               

AccuSizer 780 液体颗粒计数器确保了我们可以向客户提供一个完整的微污染解决方案并且具有优势。


           

参考文献            


           

1、2014微粒指南:一次性工艺设备微粒测试、评估和控制建议

2、USP 788,注射剂中的微粒物质

3、USP 1788,注射剂和眼用溶液中颗粒物的测定方法


 
举报收藏 0打赏 0评论 0