|
|||||||||||||||||||||
详细说明
品牌:
日本NPM
是否进口:
否
产地:
日本
加工定制:
否
适用范围:
3
电动机名称:
永磁步进电机
额定功率:
67kW
额定电压:
67V
额定转速:
76rpm
特色服务:
2
型号:
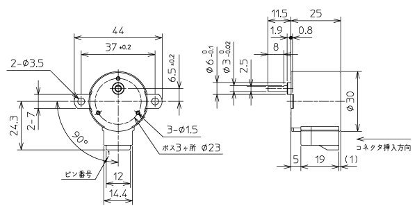
PFCU30-24T4GM(1/5)
当您需要比单独的步进电机更精细的分辨率和更高的扭矩时,使用方便而无需担心齿轮头的选择。
φ30减速机内置PM2步进电机
步距角:3.0度/步
规格书
| 励磁方式 | 2-2 | |
|---|---|---|
| 步距角 | ° | 3.0 |
| 旋转步数 | 120 | |
| 工作温度范围 | ℃ | -10至+50 |
| 绝缘部 | Ë | |
| 线圈名称 | Ť | |
| 电压等级 | V | 9.8 * 1 |
| 绕组电阻 | Ω/φ | 60 |
| 绕组电感 | mH /φ | 49 |
| 服务齿轮强度 | mN ・ m | 100 |
| 断裂齿轮强度 | mN ・ m | 300 |
| 齿轮比 | 1/5 | |
| 反冲 | 7°以下 | |
| 温升 | ķ | 70 |
| 弥撒 | g ^ | 75 |
| 绕组规格 | 双极 |
* 1如果使用额定电压以外的电压,请与我们联系。

点赞 0举报收藏 0




