|
|||||||||||||||||||||
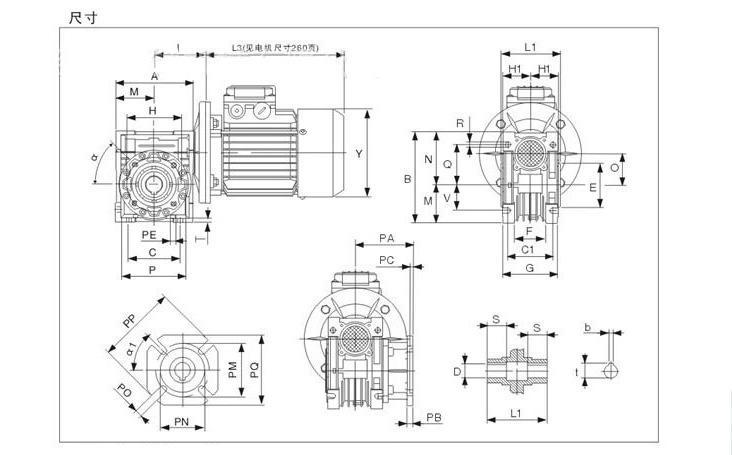
详细说明
品牌:
万鑫
订货号:
2018060291234
加工定制:
是
齿轮类型:
圆柱齿轮减速机
安装形式:
立式
布局形式:
同轴式
齿面硬度:
硬齿面
输入转速:
1400
额定功率:
0.75
输出转速范围:
56
使用范围:
机械设备
级数:
单级
减速比:
25
规格:
RV075/25-0.75KW
是否跨境货源:
否
用途:
减速机
类型:
蜗轮蜗杆减速机
型号:
RV075/25-0.75KW
货号:
20180602903



















货运物流优惠:10台以上包运费,发普通物流(自提)。
亲们注意哦:物流过程发生中转费、自提路费等自理哦。
如:佳吉、德邦、盛辉等,不在包运范围,运费请咨询客服
快递费一律不包邮:默认发快递:优速快递。其他快递请咨询客服。
电话:17317399525
点赞 0举报收藏 0




