|
|||||||||||||||||||||||
详细说明
产品名:
直线振动筛
是否定制:
是
产地:
南通
材质:
可定制
功率:
50
用途范围:
广
规格:
可定制
应用领域:
矿山、冶金、煤矿、建材等
是否售后:
是
颜色:
可定制
型号:
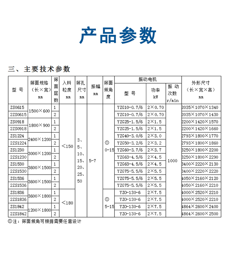
ZS0615
品牌:
恒昌






点赞 0举报收藏 0




