|
|||||||||||||||||||||||
详细说明
品牌:
中固维科
是否进口:
否
产品类型:
高真空、高温步进电机
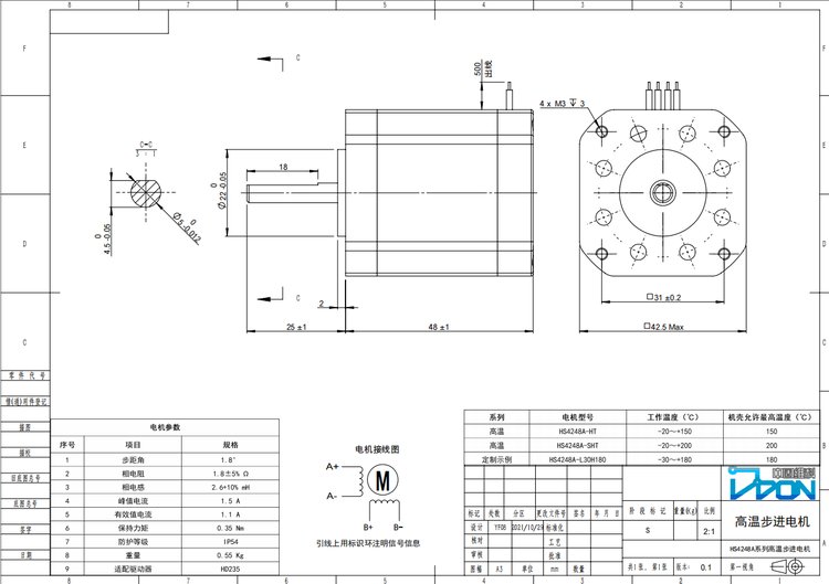
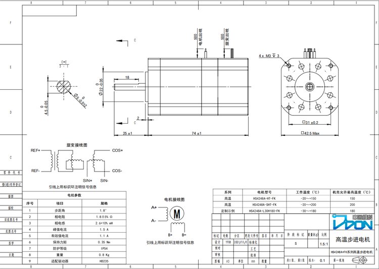
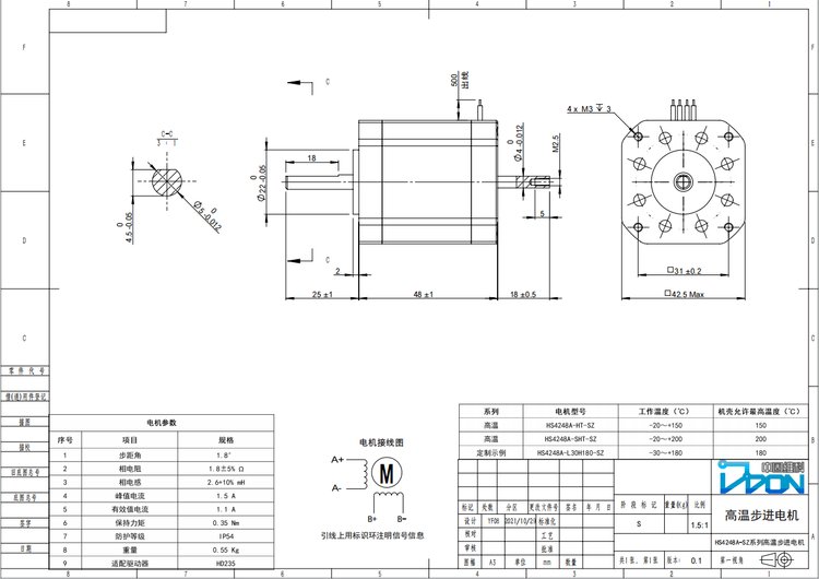
电动机名称:
42系列步进电机
额定电流:
1.5A
额定电压:
24V
工作电流:
1.5A
工作电压:
24V
规格:
42*48mm
配件名称:
HD235
适用范围:
多种
特色服务:
可定制
外形尺寸:
42*48mm
温控范围:
-196℃-300℃
应用范围:
多行业
加工定制:
是
数量:
999
封装:
食品级真空包装
批号:
以实物为准
材质:
不锈钢
型号:
HS4248-**





参数

HS4248- 高温步进电机

HS4248- (带反馈)

HS4248- (双轴)


点赞 0举报收藏 0




