|
|||||||||||||||||||||||
详细说明
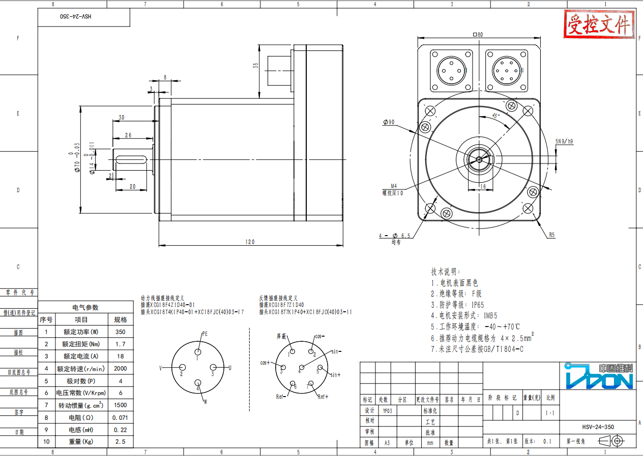
规格:
350W
材质:
铝、不锈钢
型号:
HSV-24-350-**
加工定制:
是
工作电压:
24V/220V
额定转速:
2000
是否进口:
否
额定电压:
24
特色服务:
定制
额定电流:
18
额定转矩:
1.7
额定功率:
350W
温控范围:
-40~85℃
包装:
食品级真空包装
电压常数:
6V/Krpm
极对数:
4
品牌:
中固维科







点赞 0举报收藏 0




