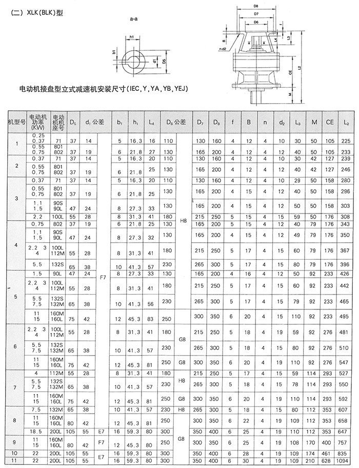
|
|||||||||||||||||||||||
详细说明
品牌:
宙义通达
级数:
XWD8-59-15减速
极数:
箱三极变4极
使用范围:
机波箱三极变速器XWD8单级
布局形式:
变速器XWD卧式
安装形式:
-59-18.5
加工定制:
是
许用扭矩:
XWD8-59-
适用原料:
-59-
输出转速范围:
15减速机波箱三转
用途:
5减速机波设备










点赞 0举报收藏 0








