手机版
二维码
购物车
选择频道搜索
产品
厂家分布
会议会展
知识库
系统问答
采煤机
全站仪
放矿机
转载机
轴封
橡胶带
卸料车
螺杆机
轮斗式洗砂机
絮凝剂
首页
产品
厂家分布
会议会展
知识库
系统问答
首页
>
产品
>
矿山服务
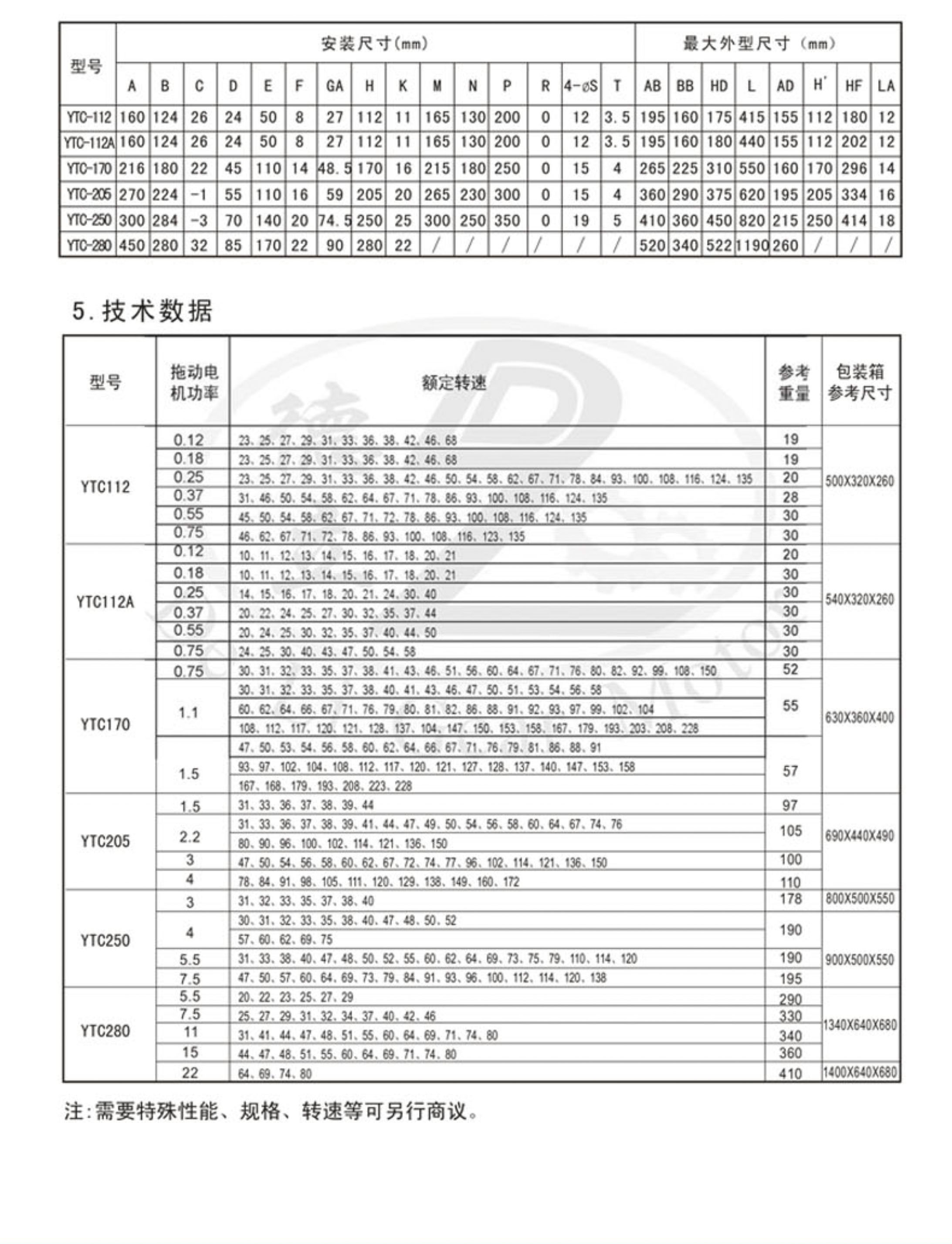
YTC112齿轮减速器YTC170斜齿减速电机 YTC205 YTC250齿轮箱变速箱
单价
¥
2850.00
/ 台
对比
销量
暂无
浏览
243
发货
浙江省绍兴市上虞区
库存
64台
品牌
德立
过期
长期有效
更新
2025-06-04 11:27
联系方式
加关注
0
绍兴上虞德立齿轮减速电机有限公司
普通会员
第2年
资料
未认证
保证金
未缴纳
浙江省-绍兴市-上虞区
上次登录 N/A
•
王立华 (先生)
进入主页
更多产品
详细说明
点赞
0
举报
收藏
0
分享
0
更多
>
本企业其它产品
NGW-L-F冷却塔减速机
NGW-L-F系列冷却塔行
卧式同轴式圆柱齿轮减
QS三合一齿轮减速机电
同轴式卧式三相异步YT
YCL冷却塔专用电机户
网站首页
|
关于我们
|
联系方式
|
用户协议
|
隐私政策
|
版权声明
|
广告服务
|
网站留言
|
帮助中心
|
网站地图
|
违规举报
陕ICP备2024022066号-5
矿库网旗下AI平台 All Rights Reserved