







参数名称 | 参数值 |
---|---|
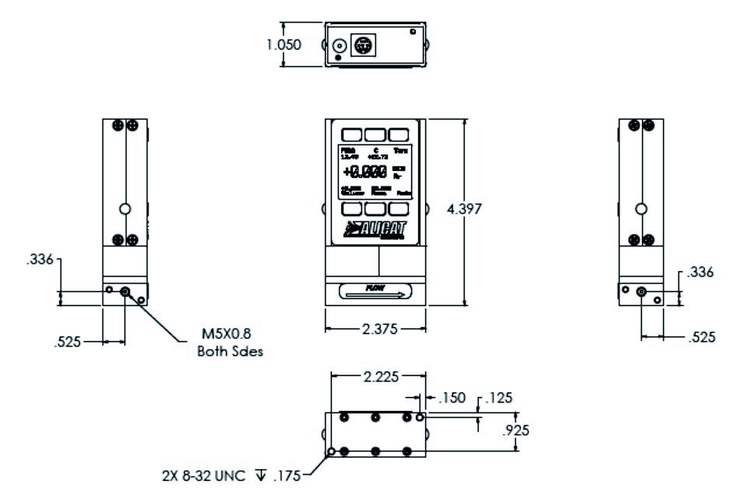
品牌 | ALICAT |
测量范围 | 0.5 SCCM - 6000 SLPMN |
适用介质 | 洁净、干燥的气体,腐蚀和非腐蚀性均可 |
加工定制 | 否 |
多参数显示和输出 | 温度、压力、流量等 |
防护等级 | IP40 |
数量 | 1 |
封装 | 原装 |
批号 | 22 |
产地 | 北京 |
资质 | 齐全 |
货源 | 充足 |
型号 | 20S |
详细操作指南和维护说明
简明操作步骤和注意事项
滤网更换和清洁指南
手机应用连接和功能说明
北京市昌平区青年创业大厦-B座
岳经理 (先生)
周一至周五: 9:00 - 18:00