手机版
二维码
购物车
选择频道搜索
产品
厂家分布
会议会展
知识库
系统问答
采煤机
全站仪
放矿机
转载机
轴封
橡胶带
卸料车
螺杆机
轮斗式洗砂机
絮凝剂
首页
产品
厂家分布
会议会展
知识库
系统问答
首页
>
产品
>
矿山服务
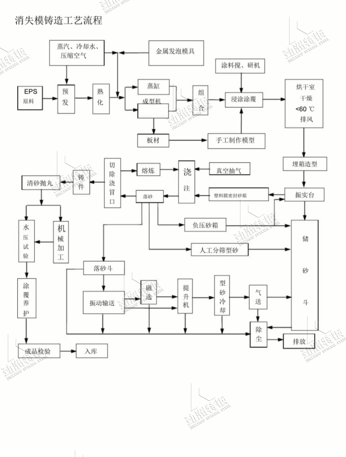
劲洲定制高锰钢齿板 衬板 工期15天 消失模工艺 破机适用 托盘包装
单价
¥
22.00
/ 千克
对比
销量
暂无
浏览
244
发货
江苏省无锡市新吴区
库存
66千克
品牌
劲洲铸造
过期
长期有效
更新
2025-06-04 11:27
联系方式
加关注
0
无锡劲洲特钢科技有限公司
普通会员
第2年
资料
未认证
保证金
未缴纳
江苏省-无锡市-新吴区
上次登录 N/A
•
魏经理 (先生)
进入主页
更多产品
详细说明
点赞
0
举报
收藏
0
分享
1
更多
>
本企业其它产品
劲洲铸业 锅炉厂用06C
焦化厂用 KmTBCr26衬
劲洲生产Mn13Cr2衬板
劲洲铸造 ZG35Cr24Ni7
KMTBcr26高铬合金衬板
劲洲机械来图定制BTMC
稀土耐磨合金钢管 不
KmTBCr26高锰钢衬板
网站首页
|
关于我们
|
联系方式
|
用户协议
|
隐私政策
|
版权声明
|
广告服务
|
网站留言
|
帮助中心
|
网站地图
|
违规举报
陕ICP备2024022066号-5
矿库网旗下AI平台 All Rights Reserved