手机版
二维码
购物车
选择频道搜索
产品
厂家分布
会议会展
知识库
系统问答
采煤机
全站仪
放矿机
转载机
轴封
橡胶带
卸料车
螺杆机
轮斗式洗砂机
絮凝剂
首页
产品
厂家分布
会议会展
知识库
系统问答
首页
>
产品
>
矿山服务
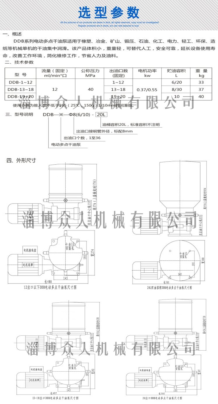
自动润滑泵 电动干油站 移动式黄油泵 DDB9/10/11/12 众人生产
单价
¥
2500.00
/ 台
对比
销量
暂无
浏览
243
发货
山东省淄博市博山区
库存
92台
品牌
众人
过期
长期有效
更新
2025-06-04 11:27
联系方式
加关注
0
淄博众人机械有限公司
普通会员
第2年
资料
未认证
保证金
未缴纳
山东省-淄博市-博山区
上次登录 N/A
•
钱经理 (先生)
进入主页
更多产品
详细说明
点赞
0
举报
收藏
0
分享
0
更多
>
本企业其它产品
IS100-65-200单级单吸
众人 IS125-100-315单
IS125-80-315B清水离
众人 IS65-50-125单级
众人 IS50-32-250单级
众人 SK-20液环式真空
众人 2BE1-252 直连
众人2BE1303型联轴器
网站首页
|
关于我们
|
联系方式
|
用户协议
|
隐私政策
|
版权声明
|
广告服务
|
网站留言
|
帮助中心
|
网站地图
|
违规举报
陕ICP备2024022066号-5
矿库网旗下AI平台 All Rights Reserved