手机版
二维码
购物车
选择频道搜索
产品
厂家分布
会议会展
知识库
系统问答
采煤机
全站仪
放矿机
转载机
轴封
橡胶带
卸料车
螺杆机
轮斗式洗砂机
絮凝剂
首页
产品
厂家分布
会议会展
知识库
系统问答
首页
>
产品
>
矿山服务
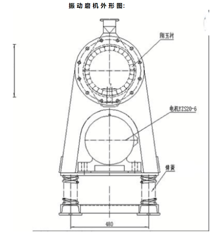
玻璃超细粉研磨机 单筒 双筒 多筒振动磨机 颗粒棒磨机生产厂家共成
单价
¥
20000.00
/ 台
对比
销量
暂无
浏览
245
发货
河南省新乡市辉县市
库存
89台
过期
长期有效
更新
2025-06-04 11:27
联系方式
加关注
0
新乡市共成振动设备有限公司
普通会员
第2年
资料
未认证
保证金
未缴纳
河南省-新乡市-辉县市
上次登录 N/A
•
郭经理 (先生)
进入主页
更多产品
详细说明
点赞
0
举报
收藏
0
分享
1
更多
>
本企业其它产品
方孔砂石筛 矿用直线
色母粒颗粒振动提升机
全不锈钢材质旋振筛
实验室振动磨机 碳钢
实验室小型研磨机 20
矿用工业筛沙机 ZSF52
粮食装车卸货大倾角皮
PVC输送带格挡带式上
网站首页
|
关于我们
|
联系方式
|
用户协议
|
隐私政策
|
版权声明
|
广告服务
|
网站留言
|
帮助中心
|
网站地图
|
违规举报
陕ICP备2024022066号-5
矿库网旗下AI平台 All Rights Reserved