|
|||||||||||||||||||||||
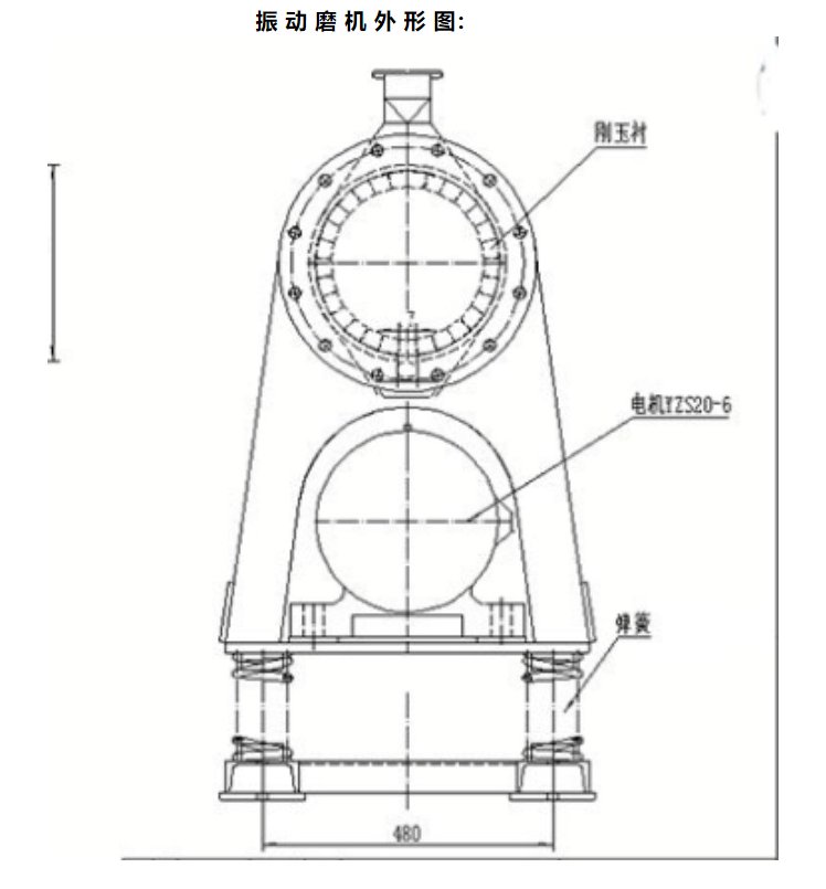
详细说明
品牌:
共成
是否支持加工定制:
是
电压:
380vV
工作方式:
连续
驱动功率:
3-90kwKW
作用对象:
颗粒 块状
功能:
磨粉
结构:
立式、卧式
应用行业:
冶金 选矿、建筑材料铁粉等
入料粒度:
15-25mm
振动频率:
16.3
出料粒度:
0.3-0.074mm
物料:
铁粉 陶瓷,粉磨 冶金 耐火材料等
销售地区:
全国
配件:
减震垫 震动器
材质:
碳钢 不锈钢
型号:
10-1200升-











点赞 0举报收藏 0




