|
|||||||||||||||||||||||
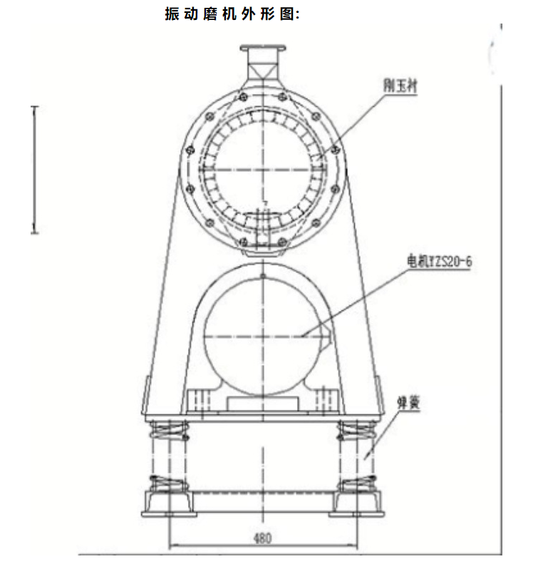
详细说明
行程:
100
重量:
2500kg
工作方式:
连续
加工定制:
是
入料粒度:
15-25mm
可售卖地 :
全国
品牌:
共成
介质尺寸:
0.3-0.074mm
加工批量:
10-2000
驱动功率:
17-90kw
出料粒度:
出料粒度 0.3-0.074mm
振动频率 :
16.3
电机转速 :
970-980
振幅(mm):
7-14
筒体容积(L):
100-1200






点赞 0举报收藏 0




