|
|||||||||||||||||||||||
详细说明
是否支持加工定制:
否
是否进口:
是
材质:
铝合金
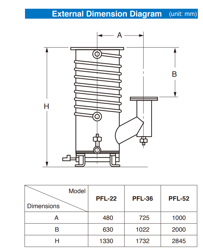
尺寸:
480*630*1330
抽气速率:
10,000 ec
电压:
200 / 3φ
工作流体:
ULVOIL D-11
工作温度:
19~25
功率:
8 k
规格:
PFL-22PFL-22TMPFL-36PFL-52
极限压力:
3.0×10-4 Pa
净重:
290 K
类别:
真空泵
类型:
气体捕集泵
排出口径:
VG150
驱动方式:
电动
适用范围:
管道泵
吸入口径:
VG550
型号:
PFL-22
性能:
不阻塞
真空度:
高真空度
重量:
290 Kg
品牌:
ULVAC













点赞 0举报收藏 0





