








参数名称 | 参数值 |
---|---|
是否进口 | 否 |
重量 | 70.3kg |
外经 | 315 |
最大转速 | 2300RPM |
适用范围 | 电机减速机 |
产地 | 江苏 |
颜色 | 外观发黑处理 |
功能用途 | 减震减缓冲 |
是否定制 | 否 |
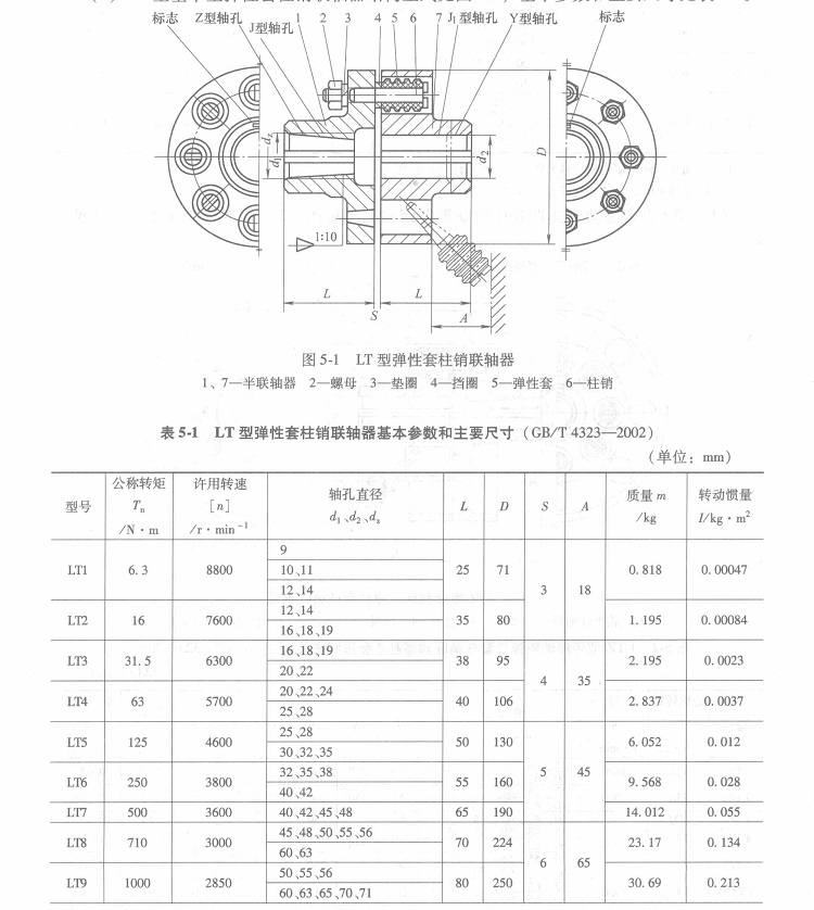
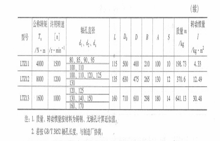
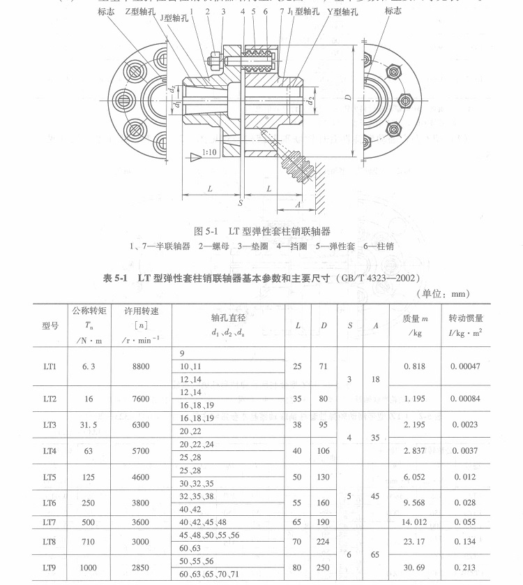
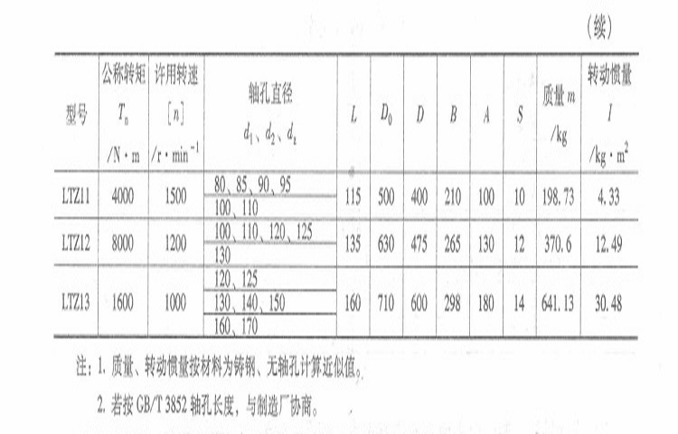
类别 | 弹性套柱销联轴器 |
型号 | LT/TL-10 |
品牌 | 羽曼重工 |
长度 | 300.75cm |
额定扭矩 | 2000.33N·m |
内径 | 95.88 |
订货号 | YMZG-LT/TL-10-01 |
详细操作指南和维护说明
简明操作步骤和注意事项
滤网更换和清洁指南
手机应用连接和功能说明
江苏省苏州市吴中区横泾镇木东路7552号
胡工 (先生)
周一至周五: 9:00 - 18:00