







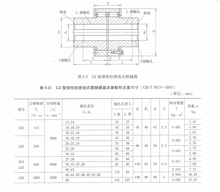
参数名称 | 参数值 |
---|---|
是否进口 | 否 |
长度 | 800cm |
重量 | 30kg |
额定扭矩 | 4500N·m |
外经 | 192 |
内径 | 35 |
最大转速 | 4000RPM |
适用范围 | 机械传动 |
产地 | 苏州 |
颜色 | 发黑 |
功能用途 | 动力输出 |
是否定制 | 是 |
订货号 | YMZGZL12345 |
类别 | 联轴器 |
型号 | ZL |
品牌 | 羽曼重工 |
详细操作指南和维护说明
简明操作步骤和注意事项
滤网更换和清洁指南
手机应用连接和功能说明
江苏省苏州市吴中区横泾镇木东路7552号
胡工 (先生)
周一至周五: 9:00 - 18:00