|
|||||||||||||||||||||||
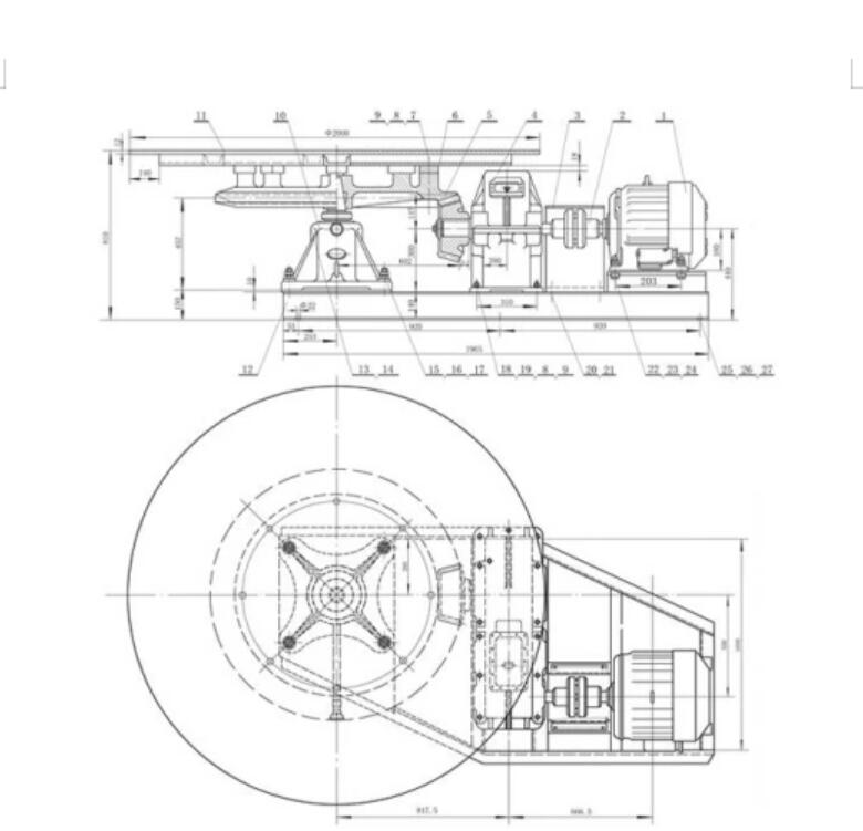
详细说明
是否支持加工定制:
是
适用领域:
矿用
功率:
1.1-5.5KW
重量:
0-5t
外形尺寸:
按需定制
颜色:
灰/蓝
厂家:
勇梅机械
类型:
吊式圆盘给料机
产地:
新乡
品牌:
勇梅机械
额定输送能力:
0-5t/h
用途范围:
煤矿,冶金,化工等
规格:
2000-3600mm
料斗容量:
0-8000KG









点赞 0举报收藏 0




