







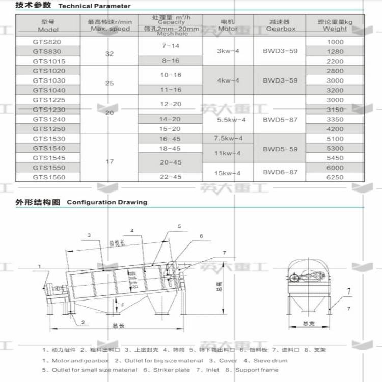
参数名称 | 参数值 |
---|---|
是否支持加工定制 | 是 |
材质 | 碳钢 |
给矿方式 | 连续式 |
规格 | 直径2000mm |
型号 | GTS/YTS |
加工定制 | 是 |
用途 | 筛分物料 |
产品 | 滚筒筛 |
功率 | 5.5KW |
电压 | 380v |
应用行业 | 化工建材等 |
品牌 | 英大重工 |
详细操作指南和维护说明
简明操作步骤和注意事项
滤网更换和清洁指南
手机应用连接和功能说明
河南省新乡市红旗区河南英大重工科技股份有限公司经济技术开发区支一路与支四路交叉口西南角
王经理 (先生)
周一至周五: 9:00 - 18:00