|
|||||||||||||||||||||||
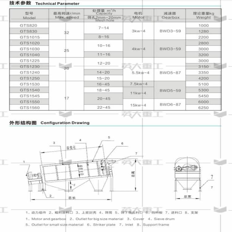
详细说明
材质:
碳钢
规格:
直径2000mm
型号:
GTS/YTS
加工定制:
是
用途:
筛分物料
功率:
5.5-18.5kw
筒体转速:
8-20rpm
处理量:
10-50m³/h
质保:
1年
品牌:
英大重工








点赞 0举报收藏 0




