














参数名称 | 参数值 |
---|---|
是否进口 | 否 |
材质 | 碳钢 |
工作电压 | 380V |
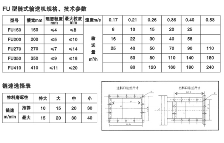
规格 | 350mm |
适用领域 | 建材 化工 电厂 |
输送距离 | 15m |
输送能力 | 40立方 |
型号 | FU350 |
重量 | 1560kgkg |
加工定制 | 是 |
形式 | 单排链 |
链条 | 45# |
是否跨境货源 | 否 |
颜色 | 中灰色 |
品牌 | 正安 |
类型 | 板链 钩子链 |
订货号 | FU350-15米 |
详细操作指南和维护说明
简明操作步骤和注意事项
滤网更换和清洁指南
手机应用连接和功能说明
河北省沧州市泊头市泊头市正安机械
刘经理 (先生)
周一至周五: 9:00 - 18:00