首页
找设备
看方案
查分布
去参会
会员权益
选择频道搜索
产品
厂家分布
会议会展
知识库
系统问答
首页
>
产品
>
矿山服务
您的浏览器不支持HTML5视频播放
00:00 / 00:00
FU刮板机 板链式输送机 钩子链混合料输灰机 正安
¥
1680.00
/ 台
产品详情
产品参数
产品图片
产品手册
联系方式
参数名称
参数值
是否支持加工定制
是
是否进口
是
材质
Q235
功率
7500W
类型
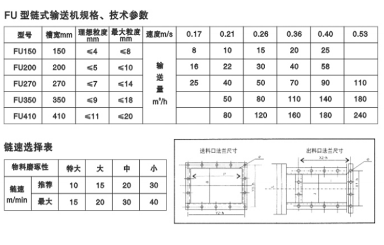
刮板机
输送距离
6m
输送能力
30立方
输送物品
粉料
型号
FU270
订货号
06512
加工定制
是
品牌
正安
产品使用手册
详细操作指南和维护说明
下载PDF (3.2MB)
快速入门指南
简明操作步骤和注意事项
下载PDF (1.1MB)
维护与保养手册
滤网更换和清洁指南
下载PDF (2.4MB)
智能APP使用指南
手机应用连接和功能说明
下载PDF (1.8MB)
联系信息
公司地址
河北省沧州市泊头市泊头市正安机械
联系电话
联系人
刘经理 (先生)
工作时间
周一至周五: 9:00 - 18:00
让商家联系您
您的姓名
电子邮箱
联系电话
咨询内容
发送消息
点赞
0
举报
收藏
0
分享
0
泊头市正安机械设备制造有限公司
铜牌会员 · 10年
43
视频
127123
播放量
查看本企业所有视频
网站首页
|
关于我们
|
联系方式
|
用户协议
|
隐私政策
|
版权声明
|
网站地图
|
广告服务
|
网站留言
|
RSS订阅
|
违规举报
|
陕ICP备2024022066号-5
矿库网旗下AI平台 All Rights Reserved