|
|||||||||||||||||||||||
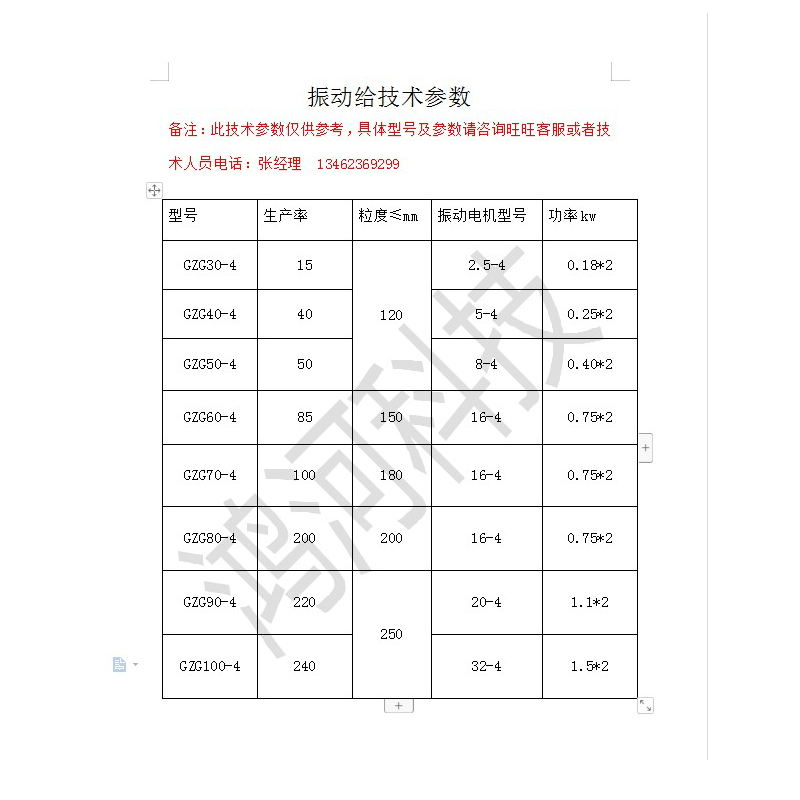
详细说明
是否支持加工定制:
是
储料箱容量:
5m³
额定输送能力:
100-200t/h
功率:
2*0.75kwW
料斗容量:
5m³
适用领域:
冶金、煤矿、选矿、建材、化工、磨料等行业
输送距离:
1500m
重量:
1000kg
用途:
冶金、煤矿、选矿、建材、化工、磨料等行业
加工定制:
是
筛分效率:
高
振动噪音:
小
适用行业:
煤炭、化工、建材、冶金等
支持:
定制
品牌:
鸿河机械


















点赞 0举报收藏 0




