|
|||||||||||||||||||||
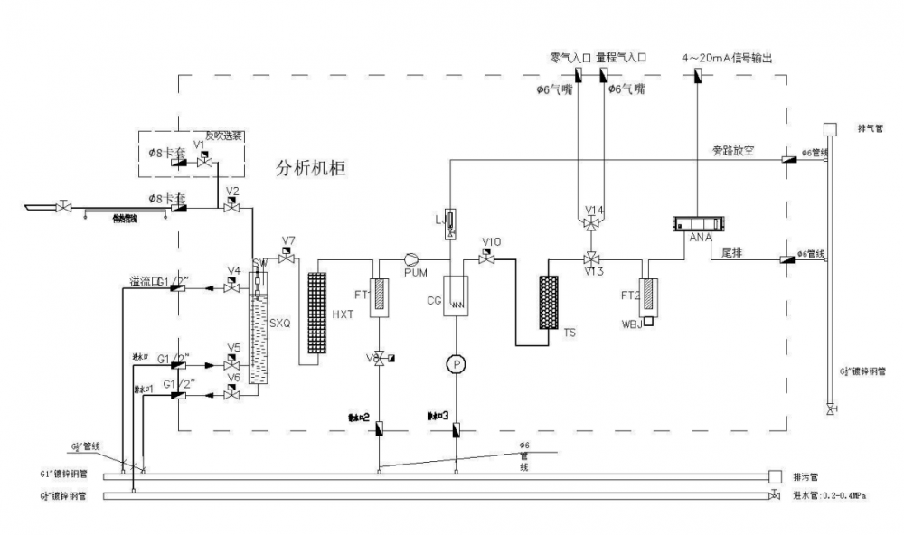
详细说明
产品特性:
连续监测
是否进口:
否
产地:
陕西
加工定制:
是
型号:
JC-6200
产品用途:
监测气体成分
规格:
定制
分辨率:
0.01%vol
安装方式:
在线式
材质:
金属
测量对象:
氧气/一氧化碳/甲烷/氢气
测量原理:
红外/激光原理
结构形式:
柜式
操作方式:
触摸屏
探头型式:
取样式
显示方式:
数显
类型:
气体分析仪
品牌:
陕西卓宇佳创

















点赞 0举报收藏 0




