|
|||||||||||||||||||||
详细说明
是否支持加工定制:
否
型号:
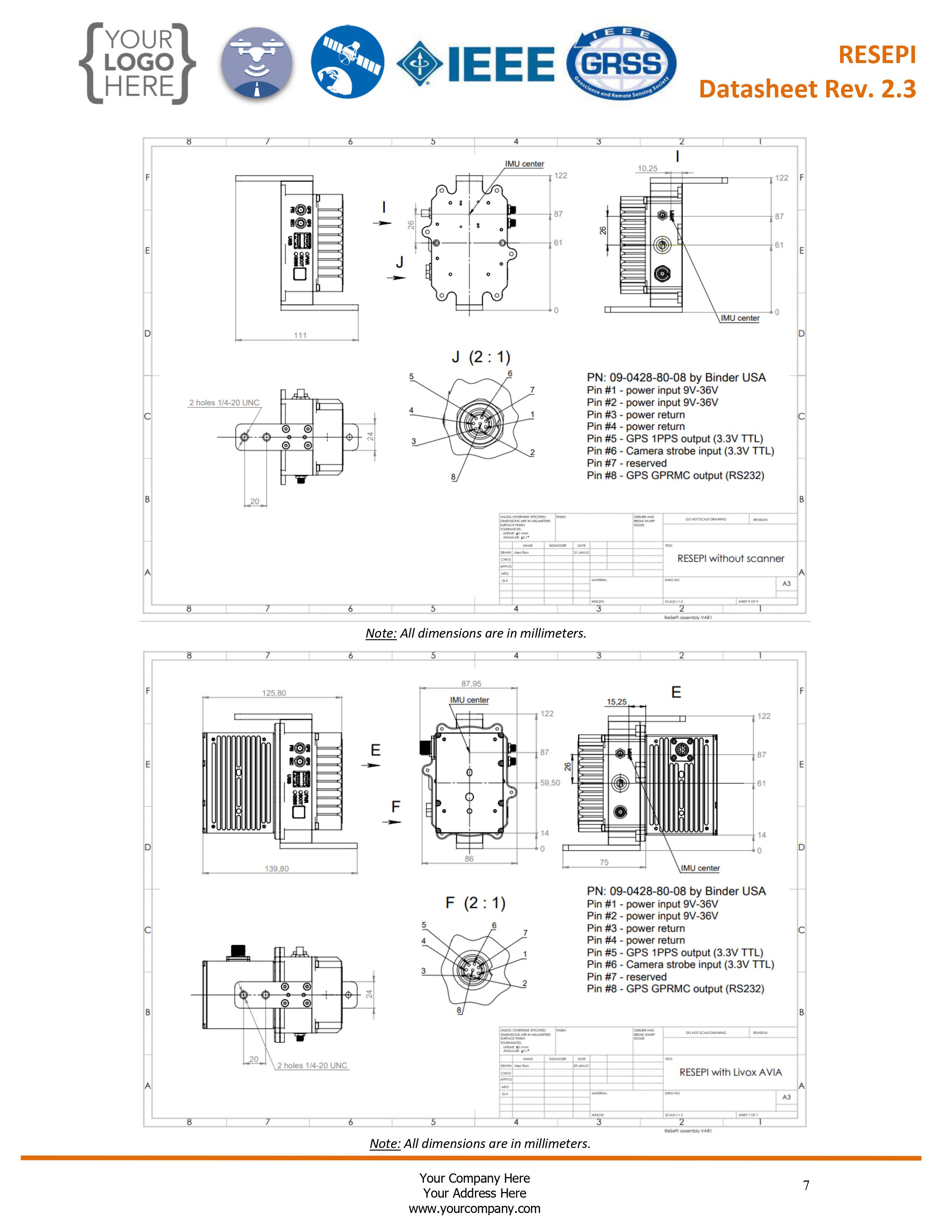
RESEPI
颜色:
黑色
重量:
0.37kg
电池类型:
外部
外观尺寸:
11(长)*12(宽)*12(高)cm
电源要求:
9-36伏
主要应用:
基于无人机和移动测绘、测量、检查
品牌:
其它
电力消耗:
12w(VLP-16激光雷达)
姿态精度(gps辅助INS):
<0.01度俯仰和滚转;<0.05度
定位精度(gps辅助INS):
0.5 cm(估计PPK) / 1 cm + 1ppm (RTK)
精度(点云):
3 - 5厘米(取决于激光雷达,对同一目标在50米AGL处拍摄)
扫描视场(FOV):
360度(取决于激光雷达的选择)
扫描仪(激光雷达):
VELODYNE VLP / QUANERGY / RIEGL / OUSTER / Livox / Hesai












点赞 0举报收藏 0




